
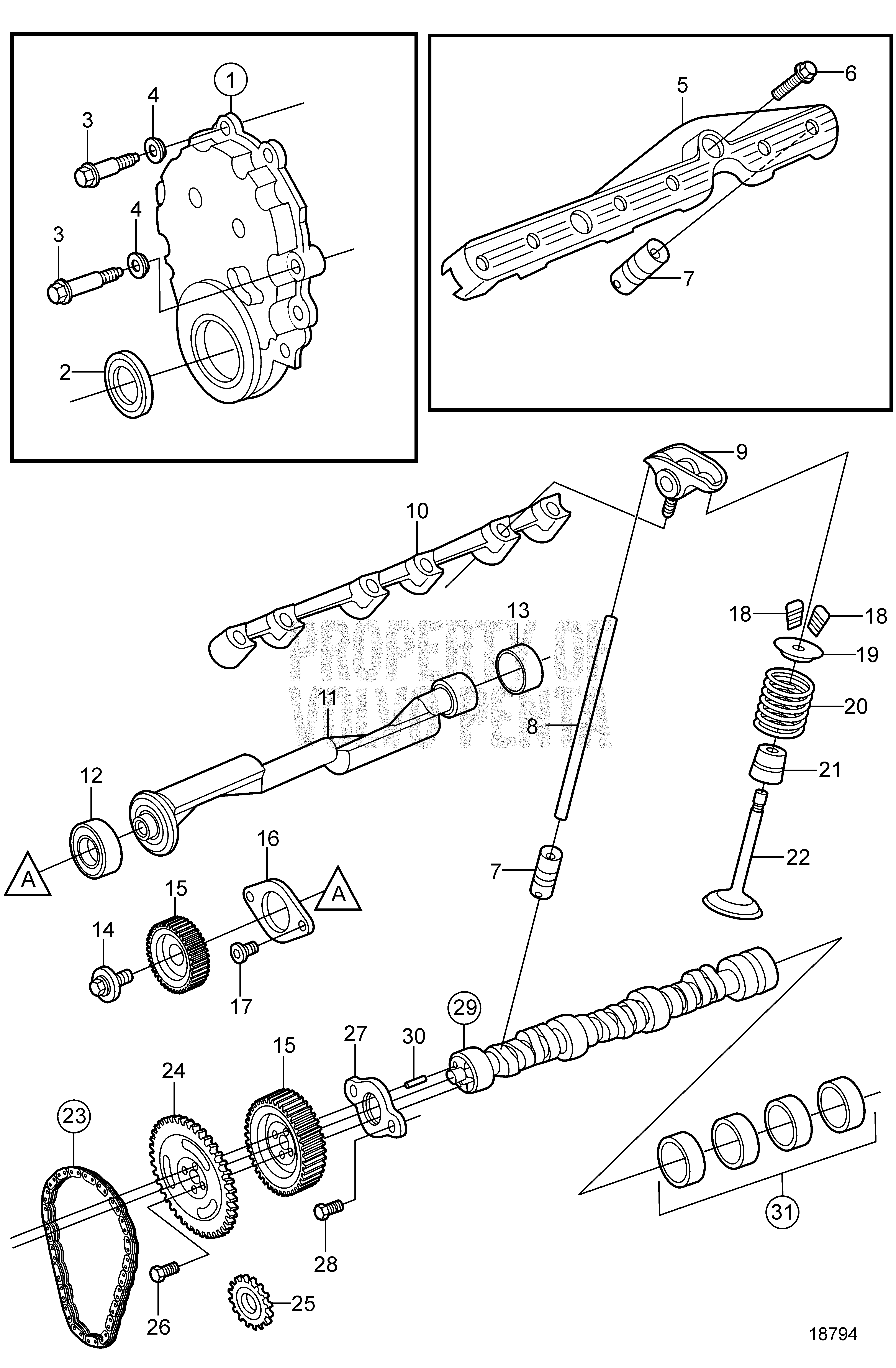
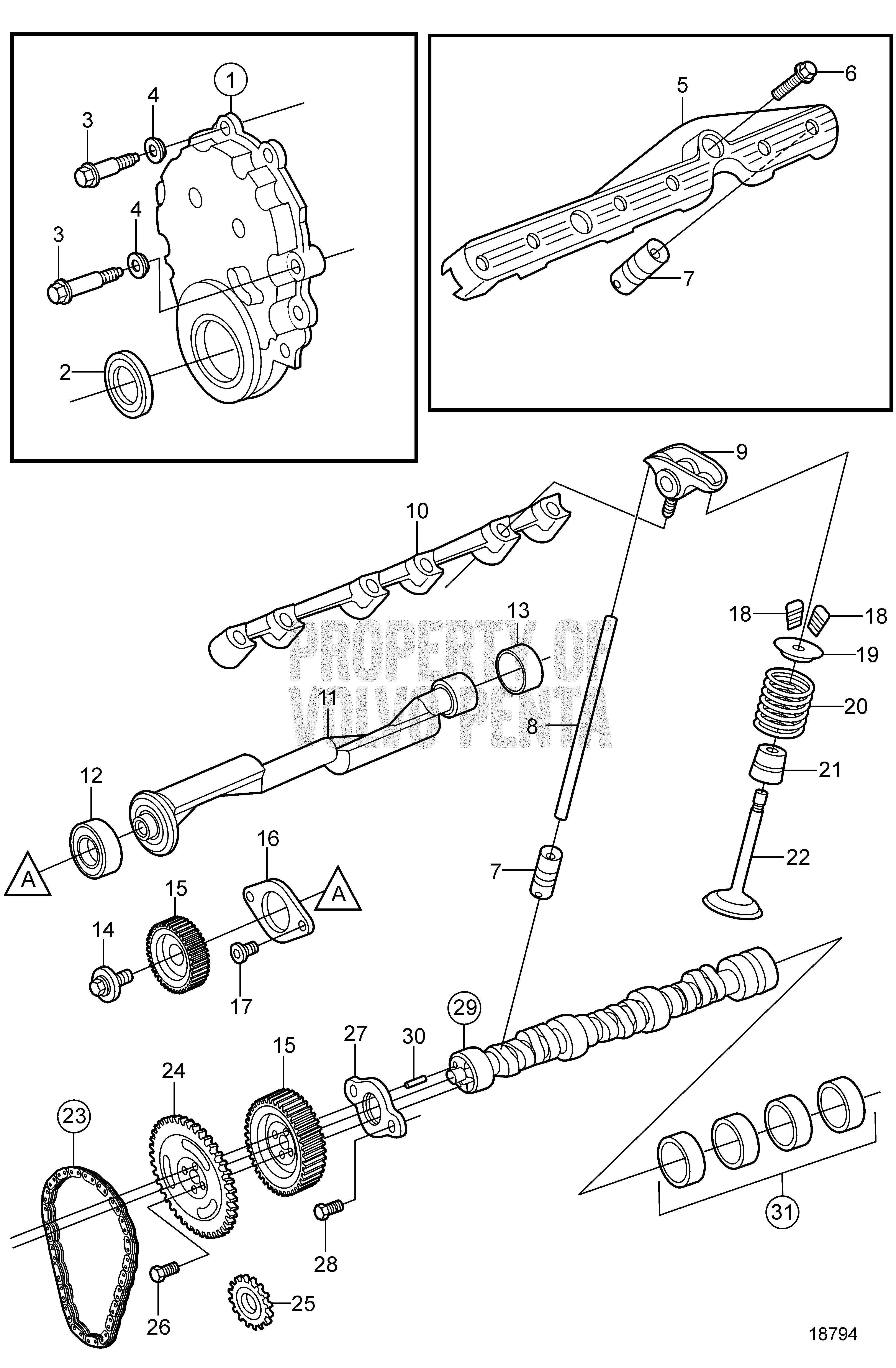
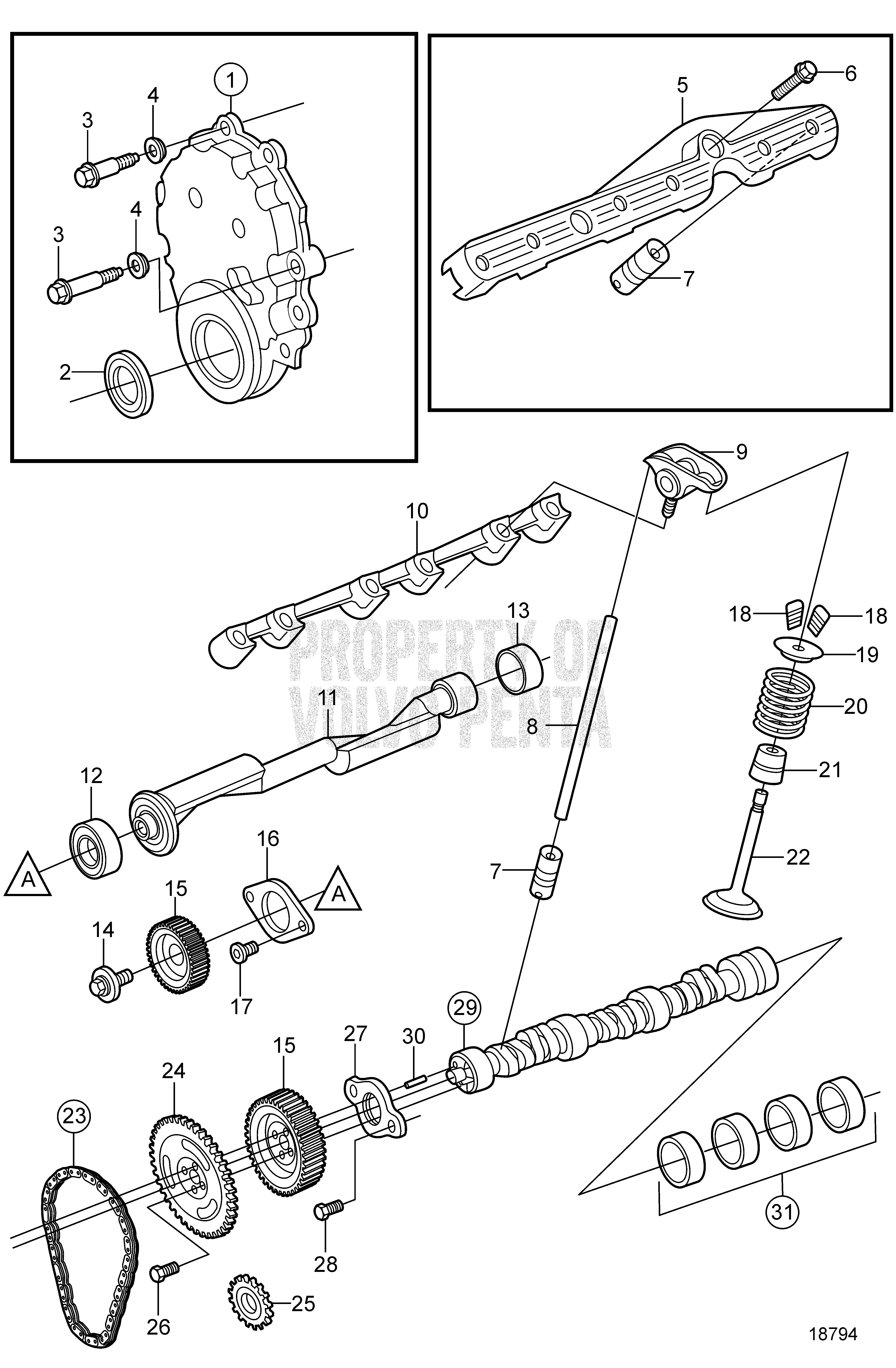
Exploded views containing this product:
Marine Gasoline Engines
Valve stem seal
Art. 3855814
Article group
15
Weight
0.003
Description
Art. 3855814
Article group
15
Weight
0.003
Description