If this error persists, please contact our support.

Exploded views containing this product:
2001 Silenciador de escape refrigerado por agua con componentes de instalación
2001AG Silenciador de escape refrigerado por agua con componentes de instalación
2001B Silenciador de escape refrigerado por agua con componentes de instalación
2001BG Silenciador de escape refrigerado por agua con componentes de instalación
2001D Silenciador de escape refrigerado por agua con componentes de instalación
2001R Silenciador de escape refrigerado por agua con componentes de instalación
2002 Silenciador de escape refrigerado por agua con componentes de instalación
2002AG Silenciador de escape refrigerado por agua con componentes de instalación
2002B Silenciador de escape refrigerado por agua con componentes de instalación
2002BG Silenciador de escape refrigerado por agua con componentes de instalación
2002D Silenciador de escape refrigerado por agua con componentes de instalación
2003 Silenciador de escape refrigerado por agua con componentes de instalación
2003 SOLAS Silenciador de escape refrigerado por agua con componentes de instalación
2003B Silenciador de escape refrigerado por agua con componentes de instalación
2003B SOLAS Silenciador de escape refrigerado por agua con componentes de instalación
2003D Silenciador de escape refrigerado por agua con componentes de instalación
2003R Silenciador de escape refrigerado por agua con componentes de instalación
2003R SOLAS Silenciador de escape refrigerado por agua con componentes de instalación
2003T Silenciador de escape refrigerado por agua con componentes de instalación
2003TB Silenciador de escape refrigerado por agua con componentes de instalación
2003TB SOLAS Silenciador de escape refrigerado por agua con componentes de instalación
2003TR Silenciador de escape refrigerado por agua con componentes de instalación
D1-13 Control del interruptor térmico de escape
D1-13 Tubo de escape
D1-13 Tubo de escape vertical
D1-13B Tubo de escape
D1-13B Tubo de escape vertical
D1-13F Tubo de escape
D1-13F Tubo de escape vertical
D1-20 Control del interruptor térmico de escape
D1-20 Tubo de escape
D1-20 Tubo de escape vertical
D1-20B Tubo de escape
D1-20B Tubo de escape vertical
D1-20F Tubo de escape
D1-20F Tubo de escape vertical
D1-30 Control del interruptor térmico de escape
D1-30 Tubo de escape
D1-30 Tubo de escape vertical
D1-30B Tubo de escape
D1-30B Tubo de escape vertical
D1-30F Tubo de escape
D1-30F Tubo de escape vertical
D11A-A Intercambiador de calor y depósito de expansión
D11A-B Intercambiador de calor y depósito de expansión
D11A-C Intercambiador de calor y depósito de expansión
D11A-C MP Intercambiador de calor y depósito de expansión
D11A-D MP Intercambiador de calor y depósito de expansión
D11A-E Intercambiador de calor y depósito de expansión
D11B1-A MP Componentes de conexión para el enfriador de aire de carga
D11B1-A MP Sistema de refrigeración KC
D11B2-A MP Componentes de conexión para el enfriador de aire de carga
D11B2-A MP Sistema de refrigeración KC
D11B3-A MP Intercambiador de calor y depósito de expansión
D11B3-A MP Componentes de conexión para el enfriador de aire de carga
D11B3-A MP Sistema de refrigeración KC
D11B4-A MP Intercambiador de calor y depósito de expansión
D11B4-A MP Componentes de conexión para el enfriador de aire de carga
D11B4-A MP Sistema de refrigeración KC
D11C1-A MP Sea Water System
D11C2-A MP Sea Water System
D11C3-A MP Sea Water System
D11C4-A MP Sea Water System
D16C-A MH Sistema de lubricación
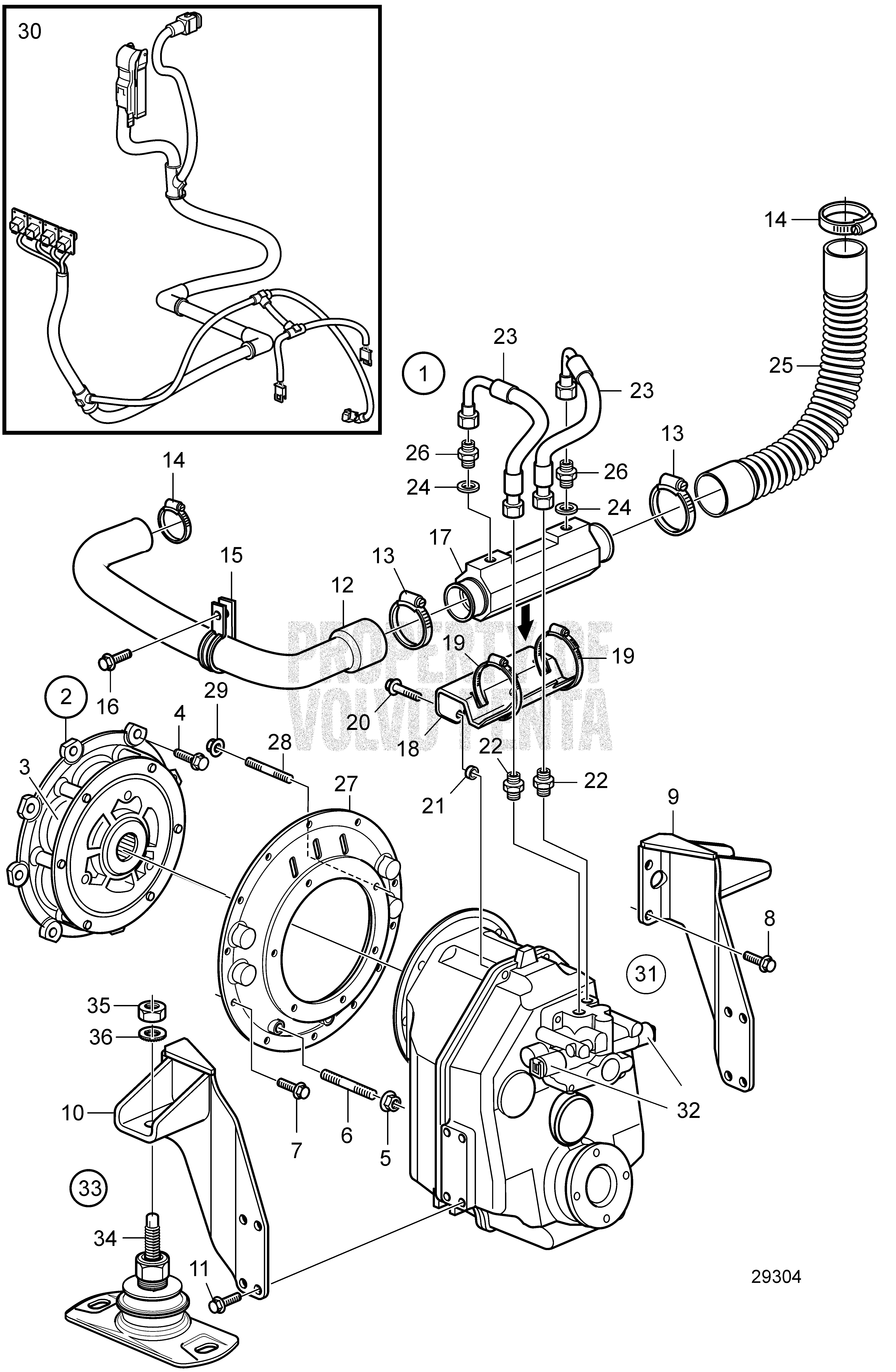
D16C-A MH Intercambiador de calor con piezas de instalación
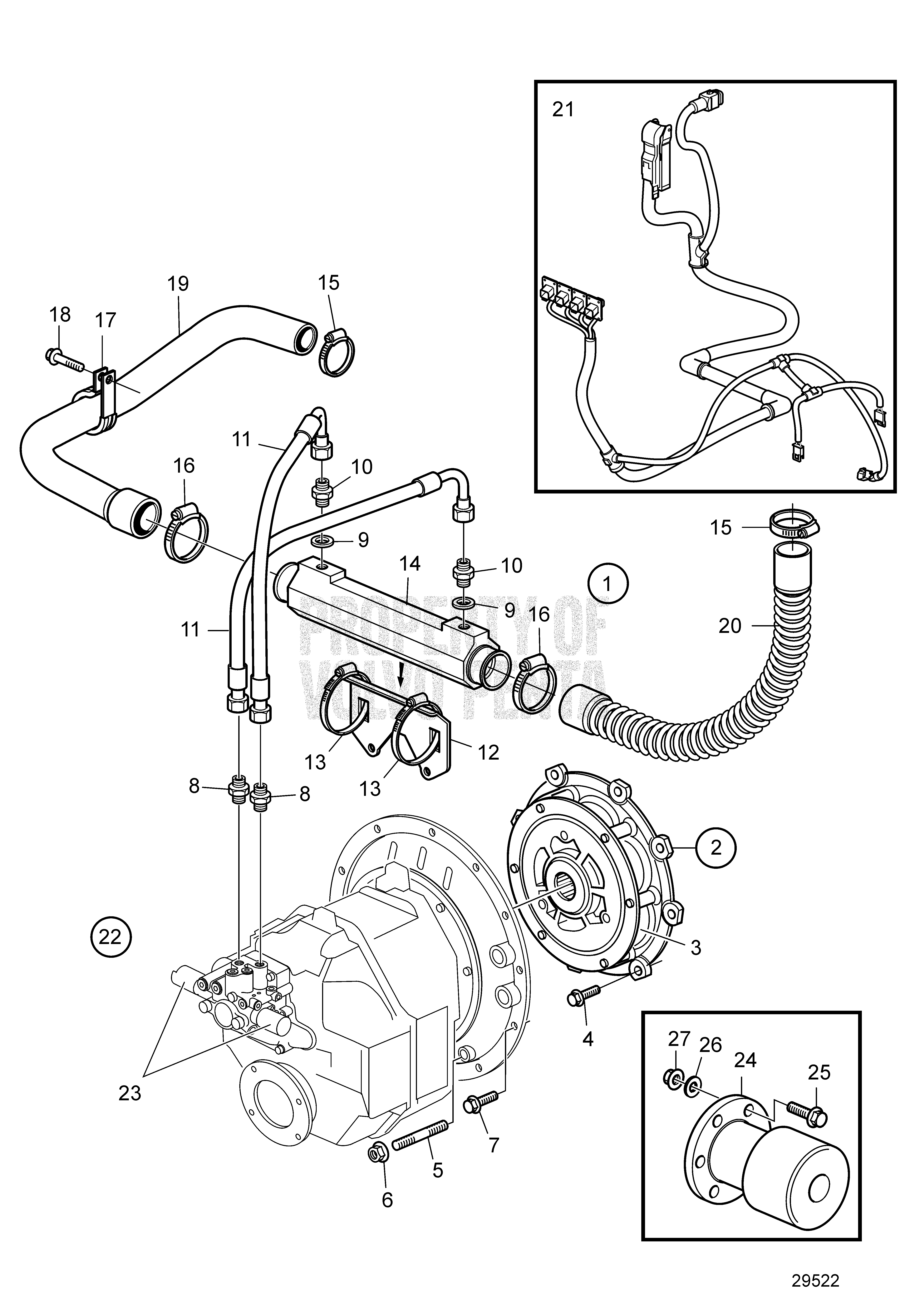
D16C-A MH Bomba de agua y componentes de instalación
D16C-B MH Sistema de lubricación
D16C-B MH Intercambiador de calor con piezas de instalación
D16C-B MH Bomba de agua y componentes de instalación
D16C-C MH Sistema de lubricación
D16C-C MH Intercambiador de calor con piezas de instalación
D16C-C MH Bomba de agua y componentes de instalación
D16C-D MH Sistema de lubricación
D16C-D MH Bomba de agua y componentes de instalación
D16C-D MH Intercambiador de calor con piezas de instalación
D16C1-E MG Intercambiador de calor con piezas de instalación
D16C1-E MG Central Cooling with Installation Parts
D16C1-E MG Water Pump and Installation Components, HE/KC
D16C1-E MG Llenado de aceite
D16C1-E MH Intercambiador de calor con piezas de instalación
D16C1-E MH Water Pump and Installation Components, HE/KC
D16C1-E MH Llenado de aceite
D16C1-E MH Conversion kit KC to HE
D16C1-F MG Intercambiador de calor con piezas de instalación
D16C1-F MG Central Cooling with Installation Parts
D16C1-F MG Water Pump and Installation Components, HE/KC
D16C1-F MG Llenado de aceite
D16C1-F MH Intercambiador de calor con piezas de instalación
D16C1-F MH Water Pump and Installation Components, HE/KC
D16C1-F MH Llenado de aceite
D16C1-F MH Conversion kit KC to HE
D16C2-E MG Water Pump and Installation Components, RC
D16C2-E MG Llenado de aceite
D16C2-E MH Llenado de aceite
D16C2-F MG Water Pump and Installation Components, RC
D16C2-F MG Llenado de aceite
D16C2-F MH Llenado de aceite
D2-40 Control del interruptor térmico de escape
D2-40 Tubo de escape
D2-40 Tubo de escape vertical
D2-40B Tubo de escape
D2-40B Tubo de escape vertical
D2-40F Tubo de escape
D2-40F Tubo de escape vertical
D2-55 Control del interruptor térmico de escape
D2-55B Control del interruptor térmico de escape
D2-55C Control del interruptor térmico de escape
D2-60F Control del interruptor térmico de escape
D2-75 Control del interruptor térmico de escape
D2-75F Control del interruptor térmico de escape
D3-110I-A Kits de reparación
D3-110I-B Kits de reparación
D3-110I-C Kits de reparación
D3-110I-D Aftercooler con piezas de instalación
D3-110I-D Bomba de alimentación de combustible
D3-110I-E Aftercooler con piezas de instalación
D3-110I-E Bomba de alimentación de combustible
D3-110I-F Aftercooler con piezas de instalación
D3-110I-F Bomba de alimentación de combustible
D3-110I-G Aftercooler con piezas de instalación
D3-110I-G Bomba de alimentación de combustible
D3-110I-H Bomba de alimentación de combustible
D3-110I-H Aftercooler con piezas de instalación
D3-130A-A Kits de reparación
D3-130A-B Kits de reparación
D3-130A-C Kits de reparación
D3-130I-A Kits de reparación
D3-130I-B Kits de reparación
D3-130I-C Kits de reparación
D3-140A-D Aftercooler con piezas de instalación
D3-140A-D Bomba de alimentación de combustible
D3-140A-E Aftercooler con piezas de instalación
D3-140A-E Bomba de alimentación de combustible
D3-140A-F Aftercooler con piezas de instalación
D3-140A-F Bomba de alimentación de combustible
D3-140A-G Aftercooler con piezas de instalación
D3-140A-G Bomba de alimentación de combustible
D3-140A-H Bomba de alimentación de combustible
D3-140A-H Aftercooler con piezas de instalación
D3-140I-D Aftercooler con piezas de instalación
D3-140I-D Bomba de alimentación de combustible
D3-140I-E Aftercooler con piezas de instalación
D3-140I-E Bomba de alimentación de combustible
D3-140I-F Aftercooler con piezas de instalación
D3-140I-F Bomba de alimentación de combustible
D3-140I-G Aftercooler con piezas de instalación
D3-140I-G Bomba de alimentación de combustible
D3-140I-H Bomba de alimentación de combustible
D3-140I-H Aftercooler con piezas de instalación
D3-150I-D Aftercooler con piezas de instalación
D3-150I-D Bomba de alimentación de combustible
D3-150I-E Aftercooler con piezas de instalación
D3-150I-E Bomba de alimentación de combustible
D3-150I-F Aftercooler con piezas de instalación
D3-150I-F Bomba de alimentación de combustible
D3-150I-G Aftercooler con piezas de instalación
D3-150I-G Bomba de alimentación de combustible
D3-150I-H Bomba de alimentación de combustible
D3-150I-H Aftercooler con piezas de instalación
D3-160A-A Kits de reparación
D3-160A-B Kits de reparación
D3-160A-C Kits de reparación
D3-160I-A Kits de reparación
D3-160I-B Kits de reparación
D3-160I-C Kits de reparación
D3-170A-D Aftercooler con piezas de instalación
D3-170A-D Bomba de alimentación de combustible
D3-170A-E Aftercooler con piezas de instalación
D3-170A-E Bomba de alimentación de combustible
D3-170A-F Aftercooler con piezas de instalación
D3-170A-F Bomba de alimentación de combustible
D3-170A-G Aftercooler con piezas de instalación
D3-170A-G Bomba de alimentación de combustible
D3-170A-H Bomba de alimentación de combustible
D3-170A-H Aftercooler con piezas de instalación
D3-170I-D Aftercooler con piezas de instalación
D3-170I-D Bomba de alimentación de combustible
D3-170I-E Aftercooler con piezas de instalación
D3-170I-E Bomba de alimentación de combustible
D3-170I-F Aftercooler con piezas de instalación
D3-170I-F Bomba de alimentación de combustible
D3-170I-G Aftercooler con piezas de instalación
D3-170I-G Bomba de alimentación de combustible
D3-170I-H Bomba de alimentación de combustible
D3-170I-H Aftercooler con piezas de instalación
D3-190A-B Kits de reparación
D3-190A-C Kits de reparación
D3-190I-A Kits de reparación
D3-190I-B Kits de reparación
D3-190I-C Kits de reparación
D3-200A-D Aftercooler con piezas de instalación
D3-200A-D Bomba de alimentación de combustible
D3-200A-E Aftercooler con piezas de instalación
D3-200A-E Bomba de alimentación de combustible
D3-200A-F Aftercooler con piezas de instalación
D3-200A-F Bomba de alimentación de combustible
D3-200A-G Aftercooler con piezas de instalación
D3-200A-G Bomba de alimentación de combustible
D3-200A-H Bomba de alimentación de combustible
D3-200A-H Aftercooler con piezas de instalación
D3-200I-D Aftercooler con piezas de instalación
D3-200I-D Bomba de alimentación de combustible
D3-200I-E Aftercooler con piezas de instalación
D3-200I-E Bomba de alimentación de combustible
D3-200I-F Aftercooler con piezas de instalación
D3-200I-F Bomba de alimentación de combustible
D3-200I-G Aftercooler con piezas de instalación
D3-200I-G Bomba de alimentación de combustible
D3-200I-H Bomba de alimentación de combustible
D3-200I-H Aftercooler con piezas de instalación
D3-220A-D Aftercooler con piezas de instalación
D3-220A-D Bomba de alimentación de combustible
D3-220A-E Aftercooler con piezas de instalación
D3-220A-E Bomba de alimentación de combustible
D3-220A-F Aftercooler con piezas de instalación
D3-220A-F Bomba de alimentación de combustible
D3-220A-G Aftercooler con piezas de instalación
D3-220A-G Bomba de alimentación de combustible
D3-220A-H Bomba de alimentación de combustible
D3-220A-H Aftercooler con piezas de instalación
D3-220I-D Aftercooler con piezas de instalación
D3-220I-D Bomba de alimentación de combustible
D3-220I-E Aftercooler con piezas de instalación
D3-220I-E Bomba de alimentación de combustible
D3-220I-F Aftercooler con piezas de instalación
D3-220I-F Bomba de alimentación de combustible
D3-220I-G Aftercooler con piezas de instalación
D3-220I-G Bomba de alimentación de combustible
D3-220I-H Bomba de alimentación de combustible
D3-220I-H Aftercooler con piezas de instalación
D4-145I-G Repuestos de conexión, inversor HS68A-A
D4-145I-G Piezas de conexión de marcha atrás HS85AE-A
D4-145I-G Enfriador del aire de admisión
D4-145I-G Bomba de agua marina y filtro de agua marina
D4-145I-G Repuestos de conexión inversor HS80AE
D4-145I-G Repuestos de conexión inversor HS45A
D4-145I-G Repuestos de conexión, inversor ZF68
D4-145I-G Repuestos de conexión inversor HS85IVE
D4-145I-G Repuestos de conexión, inversor ZF220
D4-145I-G Kit de tubo de escape, intraborda/AQ, eje intermediario
D4-145I-G Repuestos de la conexión, Inversor HS68IV, NS -A1094449
D4-145I-G Toma de agua de refrigeración
D4-150A-G Tubo de escape y tubo del agua de refrigeración, D4, estándar
D4-150A-G Tubo de escape y tubo de agua de refrigeración, D4, corto, opcional
D4-150A-G Eje intermedio, componentes de conexión
D4-150A-G Enfriador del aire de admisión
D4-150A-G Bomba de agua marina y filtro de agua marina
D4-150A-G Kit del tubo vertical de escape, AQ
D4-150A-G Kit de tubos de escape, AQ
D4-150A-G Kit de tubo de escape, intraborda/AQ, eje intermediario
D4-150A-G Toma de agua de refrigeración
D4-175I-G Repuestos de conexión, inversor HS68A-A
D4-175I-G Piezas de conexión de marcha atrás HS85AE-A
D4-175I-G Enfriador del aire de admisión
D4-175I-G Bomba de agua marina y filtro de agua marina
D4-175I-G Repuestos de conexión inversor HS80AE
D4-175I-G Repuestos de conexión inversor HS45A
D4-175I-G Repuestos de conexión, inversor ZF68
D4-175I-G Repuestos de conexión inversor HS85IVE
D4-175I-G Repuestos de conexión, inversor ZF220
D4-175I-G Kit de tubo de escape, intraborda/AQ, eje intermediario
D4-175I-G Repuestos de la conexión, inversor HS68IV-A, NS A1094450-
D4-175I-G Repuestos de la conexión, Inversor HS68IV, NS -A1094449
D4-175I-G Toma de agua de refrigeración
D4-180I-B Eje intermedio, componentes de conexión
D4-180I-B Kit de conexión del inversor HS63IVE
D4-180I-B Toma de agua de refrigeración
D4-180I-C Eje intermedio, componentes de conexión
D4-180I-C Kit de conexión del inversor HS63IVE
D4-180I-C Kit de conexión del inversor HS45AE
D4-180I-C Toma de agua de refrigeración
D4-180I-D Eje intermedio, componentes de conexión
D4-180I-D Kit de conexión del inversor HS63IVE
D4-180I-D Kit de conexión del inversor HS45AE
D4-180I-D Toma de agua de refrigeración
D4-180I-E Eje intermedio, componentes de conexión
D4-180I-E Kit de conexión del inversor HS63IVE
D4-180I-E Kit de conexión del inversor HS63AE
D4-180I-E Kit de conexión del inversor HS45AE
D4-180I-E Toma de agua de refrigeración
D4-180I-F Bomba de agua marina y filtro de agua marina
D4-180I-F Kit de conexión del inversor HS45AE
D4-180I-F Toma de agua de refrigeración
D4-210A-A Tubo de escape y tubería de agua de refrigeración DPH/DPR Unidad de accionamiento
D4-210A-A Kit de tubo de escape, AQ. SN2004007440-
D4-210A-A Eje intermedio, componentes de conexión
D4-210A-A Tubo de escape y tubo de agua de refrigeración, D4, unidad propulsora DPH/DPR
D4-210A-A Kit del tubo vertical de escape, AQ
D4-210A-A Bomba de agua de mar y filtro de agua de mar para motores con accionamiento
D4-210A-A Toma de agua de refrigeración
D4-210A-A Kit de tubo de escape, AQ. SN-2004007439
D4-210A-B Tubo de escape y tubería de agua de refrigeración DPH/DPR Unidad de accionamiento
D4-210A-B Kit de tubo de escape, AQ. SN2004007440-
D4-210A-B Eje intermedio, componentes de conexión
D4-210A-B Tubo de escape y tubo de agua de refrigeración, D4, unidad propulsora DPH/DPR
D4-210A-B Kit del tubo vertical de escape, AQ
D4-210A-B Bomba de agua de mar y filtro de agua de mar para motores con accionamiento
D4-210A-B Toma de agua de refrigeración
D4-210A-B Kit de tubo de escape, AQ. SN-2004007439
D4-210I-A Eje intermedio, componentes de conexión
D4-210I-A Toma de agua de refrigeración
D4-210I-B Eje intermedio, componentes de conexión
D4-210I-B Toma de agua de refrigeración
D4-225A-B Eje intermedio, componentes de conexión
D4-225A-B Tubo de escape y tubería de agua de refrigeración DPH/DPR Unidad de accionamiento
D4-225A-B Kit de tubo de escape, AQ. SN2004007440-
D4-225A-B Tubo de escape y tubo de agua de refrigeración, D4, unidad propulsora DPH/DPR
D4-225A-B Kit del tubo vertical de escape, AQ
D4-225A-B Bomba de agua de mar y filtro de agua de mar para motores con accionamiento
D4-225A-B Toma de agua de refrigeración
D4-225A-B Kit de tubo de escape, AQ. SN-2004007439
D4-225A-C Eje intermedio, componentes de conexión
D4-225A-C Tubo de escape y tubería de agua de refrigeración DPH/DPR Unidad de accionamiento
D4-225A-C Kit de tubo de escape, AQ. SN2004007440-
D4-225A-C Tubo de escape y tubo de agua de refrigeración, D4, unidad propulsora DPH/DPR, ampliada
D4-225A-C Tubo de escape y tubo de agua de refrigeración, D4, unidad propulsora DPH/DPR
D4-225A-C Kit del tubo vertical de escape, AQ
D4-225A-C Bomba de agua de mar y filtro de agua de mar para motores con accionamiento
D4-225A-C Toma de agua de refrigeración
D4-225A-C Kit de tubo de escape, AQ. SN-2004007439
D4-225A-D Eje intermedio, componentes de conexión
D4-225A-D Tubo de escape y tubería de agua de refrigeración DPH/DPR Unidad de accionamiento
D4-225A-D Kit de tubo de escape, AQ. SN2004007440-
D4-225A-D Tubo de escape y tubo de agua de refrigeración, D4, unidad propulsora DPH/DPR, ampliada
D4-225A-D Tubo de escape y tubo de agua de refrigeración, D4, unidad propulsora DPH/DPR
D4-225A-D Kit del tubo vertical de escape, AQ
D4-225A-D Bomba de agua de mar y filtro de agua de mar para motores con accionamiento
D4-225A-D Toma de agua de refrigeración
D4-225A-D Kit de tubo de escape, AQ. SN-2004007439
D4-225A-E Eje intermedio, componentes de conexión
D4-225A-E Tubo de escape y tubería de agua de refrigeración DPH/DPR Unidad de accionamiento
D4-225A-E Bomba de agua de mar y filtro de agua de mar para motores con accionamiento
D4-225A-E Kit de tubo de escape, AQ. SN2004007440-
D4-225A-E Tubo de escape y tubo de agua de refrigeración, D4, unidad propulsora DPH/DPR, ampliada
D4-225A-E Tubo de escape y tubo de agua de refrigeración, D4, unidad propulsora DPH/DPR
D4-225A-E Kit del tubo vertical de escape, AQ
D4-225A-E Toma de agua de refrigeración
D4-225A-E Kit de tubo de escape, AQ. SN-2004007439
D4-225A-F Tubo de escape y tubo de agua de refrigeración, D4, unidad propulsora DPH/DPR, ampliada
D4-225A-F Eje intermedio, componentes de conexión
D4-225A-F Kit del tubo vertical de escape, AQ
D4-225A-F Tubo de escape y tubo de agua de refrigeración, D4, unidad propulsora DPH/DPR
D4-225A-F Bomba de agua marina y filtro de agua marina
D4-225A-F Toma de agua de refrigeración
D4-225I-B Eje intermedio, componentes de conexión
D4-225I-B Kit de conexión del inversor HS45AE
D4-225I-B Kit de conexión del inversor HS63IVE
D4-225I-B Kit de conexión del inversor HS63AE
D4-225I-B Bomba de agua de mar y filtro de agua de mar para motores con accionamiento
D4-225I-B Toma de agua de refrigeración
D4-225I-C Eje intermedio, componentes de conexión
D4-225I-C Kit de conexión del inversor HS45AE
D4-225I-C Kit de conexión del inversor HS63IVE
D4-225I-C Kit de conexión del inversor HS63AE
D4-225I-C Tubo de escape y tubería de agua de refrigeración DPH/DPR Unidad de accionamiento
D4-225I-C Tubo de escape y tubo de agua de refrigeración, D4, unidad propulsora DPH/DPR, ampliada
D4-225I-C Tubo de escape y tubo de agua de refrigeración, D4, unidad propulsora DPH/DPR
D4-225I-C Toma de agua de refrigeración
D4-225I-D Eje intermedio, componentes de conexión
D4-225I-D Kit de conexión del inversor HS45AE
D4-225I-D Kit de conexión del inversor HS63IVE
D4-225I-D Kit de conexión del inversor HS63AE
D4-225I-D Tubo de escape y tubería de agua de refrigeración DPH/DPR Unidad de accionamiento
D4-225I-D Tubo de escape y tubo de agua de refrigeración, D4, unidad propulsora DPH/DPR, ampliada
D4-225I-D Tubo de escape y tubo de agua de refrigeración, D4, unidad propulsora DPH/DPR
D4-225I-D Toma de agua de refrigeración
D4-225I-E Eje intermedio, componentes de conexión
D4-225I-E Kit de conexión del inversor HS45AE
D4-225I-E Kit de conexión del inversor HS63IVE
D4-225I-E Kit de conexión del inversor HS63AE
D4-225I-E Toma de agua de refrigeración
D4-225I-F Bomba de agua marina y filtro de agua marina
D4-225I-F Kit de conexión del inversor HS45AE
D4-225I-F Toma de agua de refrigeración
D4-230A-G Tubo de escape y tubo del agua de refrigeración, D4, estándar
D4-230A-G Tubo de escape y tubo de agua de refrigeración, D4, corto, opcional
D4-230A-G Eje intermedio, componentes de conexión
D4-230A-G Enfriador del aire de admisión
D4-230A-G Bomba de agua marina y filtro de agua marina
D4-230A-G Repuestos de conexión inversor HS85IVE
D4-230A-G Kit del tubo vertical de escape, AQ
D4-230A-G Kit de tubos de escape, AQ
D4-230A-G Kit de tubo de escape, intraborda/AQ, eje intermediario
D4-230A-G Toma de agua de refrigeración
D4-230I-G Repuestos de conexión, inversor HS68A-A
D4-230I-G Piezas de conexión de marcha atrás HS85AE-A
D4-230I-G Enfriador del aire de admisión
D4-230I-G Bomba de agua marina y filtro de agua marina
D4-230I-G Repuestos de conexión inversor HS80AE
D4-230I-G Repuestos de conexión inversor HS85IVE
D4-230I-G Repuestos de conexión, inversor ZF220
D4-230I-G Kit de tubo de escape, intraborda/AQ, eje intermediario
D4-230I-G Repuestos de la conexión, inversor HS68IV-A, NS A1094450-
D4-230I-G Repuestos de la conexión, Inversor HS68IV, NS -A1094449
D4-230I-G Toma de agua de refrigeración
D4-260A-A Eje intermedio, componentes de conexión
D4-260A-A Tubo de escape y tubería de agua de refrigeración DPH/DPR Unidad de accionamiento
D4-260A-A Kit de tubo de escape, AQ. SN2004007440-
D4-260A-A Tubo de escape y tubo de agua de refrigeración, D4, unidad propulsora DPH/DPR
D4-260A-A Kit del tubo vertical de escape, AQ
D4-260A-A Bomba de agua de mar y filtro de agua de mar para motores con accionamiento
D4-260A-A Toma de agua de refrigeración
D4-260A-A Kit de tubo de escape, AQ. SN-2004007439
D4-260A-B Eje intermedio, componentes de conexión
D4-260A-B Tubo de escape y tubería de agua de refrigeración DPH/DPR Unidad de accionamiento
D4-260A-B Kit de tubo de escape, AQ. SN2004007440-
D4-260A-B Tubo de escape y tubo de agua de refrigeración, D4, unidad propulsora DPH/DPR
D4-260A-B Kit del tubo vertical de escape, AQ
D4-260A-B Bomba de agua de mar y filtro de agua de mar para motores con accionamiento
D4-260A-B Toma de agua de refrigeración
D4-260A-B Kit de tubo de escape, AQ. SN-2004007439
D4-260A-C Eje intermedio, componentes de conexión
D4-260A-C Tubo de escape y tubería de agua de refrigeración DPH/DPR Unidad de accionamiento
D4-260A-C Kit de tubo de escape, AQ. SN2004007440-
D4-260A-C Tubo de escape y tubo de agua de refrigeración, D4, unidad propulsora DPH/DPR, ampliada
D4-260A-C Tubo de escape y tubo de agua de refrigeración, D4, unidad propulsora DPH/DPR
D4-260A-C Kit del tubo vertical de escape, AQ
D4-260A-C Bomba de agua de mar y filtro de agua de mar para motores con accionamiento
D4-260A-C Toma de agua de refrigeración
D4-260A-C Kit de tubo de escape, AQ. SN-2004007439
D4-260A-D Eje intermedio, componentes de conexión
D4-260A-D Tubo de escape y tubería de agua de refrigeración DPH/DPR Unidad de accionamiento
D4-260A-D Kit de tubo de escape, AQ. SN2004007440-
D4-260A-D Tubo de escape y tubo de agua de refrigeración, D4, unidad propulsora DPH/DPR, ampliada
D4-260A-D Tubo de escape y tubo de agua de refrigeración, D4, unidad propulsora DPH/DPR
D4-260A-D Kit del tubo vertical de escape, AQ
D4-260A-D Bomba de agua de mar y filtro de agua de mar para motores con accionamiento
D4-260A-D Toma de agua de refrigeración
D4-260A-D Kit de tubo de escape, AQ. SN-2004007439
D4-260A-E Eje intermedio, componentes de conexión
D4-260A-E Tubo de escape y tubería de agua de refrigeración DPH/DPR Unidad de accionamiento
D4-260A-E Bomba de agua de mar y filtro de agua de mar para motores con accionamiento
D4-260A-E Kit de tubo de escape, AQ. SN2004007440-
D4-260A-E Tubo de escape y tubo de agua de refrigeración, D4, unidad propulsora DPH/DPR, ampliada
D4-260A-E Tubo de escape y tubo de agua de refrigeración, D4, unidad propulsora DPH/DPR
D4-260A-E Kit del tubo vertical de escape, AQ
D4-260A-E Toma de agua de refrigeración
D4-260A-E Kit de tubo de escape, AQ. SN-2004007439
D4-260A-F Tubo de escape y tubo de agua de refrigeración, D4, unidad propulsora DPH/DPR, ampliada
D4-260A-F Eje intermedio, componentes de conexión
D4-260A-F Kit del tubo vertical de escape, AQ
D4-260A-F Tubo de escape y tubo de agua de refrigeración, D4, unidad propulsora DPH/DPR
D4-260A-F Bomba de agua marina y filtro de agua marina
D4-260A-F Toma de agua de refrigeración
D4-260D-B Eje intermedio, componentes de conexión
D4-260D-B Bomba de agua de mar y filtro de agua de mar para motores con accionamiento
D4-260D-B Toma de agua de refrigeración
D4-260D-C Eje intermedio, componentes de conexión
D4-260D-C Bomba de agua de mar y filtro de agua de mar para motores con accionamiento
D4-260D-C Toma de agua de refrigeración
D4-260D-D Eje intermedio, componentes de conexión
D4-260D-D Bomba de agua de mar y filtro de agua de mar para motores con accionamiento
D4-260D-D Toma de agua de refrigeración
D4-260D-E Bomba de agua de mar y filtro de agua de mar para motores con accionamiento
D4-260D-E Eje intermedio, componentes de conexión
D4-260D-E Toma de agua de refrigeración
D4-260D-F Bomba de agua marina y filtro de agua marina
D4-260D-F Toma de agua de refrigeración
D4-260I-A Eje intermedio, componentes de conexión
D4-260I-A Kit de conexión del inversor HS63IVE
D4-260I-A Kit de conexión del inversor HS63AE
D4-260I-A Toma de agua de refrigeración
D4-260I-B Eje intermedio, componentes de conexión
D4-260I-B Kit de conexión del inversor HS63IVE
D4-260I-B Kit de conexión del inversor HS63AE
D4-260I-B Toma de agua de refrigeración
D4-260I-C Eje intermedio, componentes de conexión
D4-260I-C Kit de conexión del inversor HS63IVE
D4-260I-C Kit de conexión del inversor HS63AE
D4-260I-C Toma de agua de refrigeración
D4-260I-D Eje intermedio, componentes de conexión
D4-260I-D Kit de conexión del inversor HS63IVE
D4-260I-D Kit de conexión del inversor HS63AE
D4-260I-D Toma de agua de refrigeración
D4-260I-E Eje intermedio, componentes de conexión
D4-260I-E Kit de conexión del inversor HS63IVE
D4-260I-E Kit de conexión del inversor HS63AE
D4-260I-E Toma de agua de refrigeración
D4-260I-F Bomba de agua marina y filtro de agua marina
D4-260I-F Toma de agua de refrigeración
D4-270A-G Tubo de escape y tubo del agua de refrigeración, D4, estándar
D4-270A-G Tubo de escape y tubo de agua de refrigeración, D4, corto, opcional
D4-270A-G Eje intermedio, componentes de conexión
D4-270A-G Enfriador del aire de admisión
D4-270A-G Bomba de agua marina y filtro de agua marina
D4-270A-G Repuestos de conexión inversor HS85IVE
D4-270A-G Kit del tubo vertical de escape, AQ
D4-270A-G Kit de tubos de escape, AQ
D4-270A-G Kit de tubo de escape, intraborda/AQ, eje intermediario
D4-270A-G Toma de agua de refrigeración
D4-270I-G Repuestos de conexión, inversor HS68A-A
D4-270I-G Piezas de conexión de marcha atrás HS85AE-A
D4-270I-G Enfriador del aire de admisión
D4-270I-G Bomba de agua marina y filtro de agua marina
D4-270I-G Repuestos de conexión inversor HS80AE
D4-270I-G Repuestos de conexión inversor HS85IVE
D4-270I-G Repuestos de conexión, inversor ZF220
D4-270I-G Kit de tubo de escape, intraborda/AQ, eje intermediario
D4-270I-G Repuestos de la conexión, inversor HS68IV-A, NS A1094450-
D4-270I-G Repuestos de la conexión, Inversor HS68IV, NS -A1094449
D4-270I-G Toma de agua de refrigeración
D4-300A-A Eje intermedio, componentes de conexión
D4-300A-A Tubo de escape y tubería de agua de refrigeración DPH/DPR Unidad de accionamiento
D4-300A-A Kit de tubo de escape, AQ. SN2004007440-
D4-300A-A Tubo de escape y tubo de agua de refrigeración, D4, unidad propulsora DPH/DPR
D4-300A-A Kit del tubo vertical de escape, AQ
D4-300A-A Bomba de agua de mar y filtro de agua de mar para motores con accionamiento
D4-300A-A Toma de agua de refrigeración
D4-300A-A Kit de tubo de escape, AQ. SN-2004007439
D4-300A-C Eje intermedio, componentes de conexión
D4-300A-C Tubo de escape y tubería de agua de refrigeración DPH/DPR Unidad de accionamiento
D4-300A-C Kit de tubo de escape, AQ. SN2004007440-
D4-300A-C Tubo de escape y tubo de agua de refrigeración, D4, unidad propulsora DPH/DPR, ampliada
D4-300A-C Tubo de escape y tubo de agua de refrigeración, D4, unidad propulsora DPH/DPR
D4-300A-C Kit del tubo vertical de escape, AQ
D4-300A-C Bomba de agua de mar y filtro de agua de mar para motores con accionamiento
D4-300A-C Toma de agua de refrigeración
D4-300A-C Kit de tubo de escape, AQ. SN-2004007439
D4-300A-D Eje intermedio, componentes de conexión
D4-300A-D Tubo de escape y tubería de agua de refrigeración DPH/DPR Unidad de accionamiento
D4-300A-D Kit de tubo de escape, AQ. SN2004007440-
D4-300A-D Tubo de escape y tubo de agua de refrigeración, D4, unidad propulsora DPH/DPR, ampliada
D4-300A-D Tubo de escape y tubo de agua de refrigeración, D4, unidad propulsora DPH/DPR
D4-300A-D Kit del tubo vertical de escape, AQ
D4-300A-D Bomba de agua de mar y filtro de agua de mar para motores con accionamiento
D4-300A-D Toma de agua de refrigeración
D4-300A-D Kit de tubo de escape, AQ. SN-2004007439
D4-300A-E Eje intermedio, componentes de conexión
D4-300A-E Tubo de escape y tubería de agua de refrigeración DPH/DPR Unidad de accionamiento
D4-300A-E Bomba de agua de mar y filtro de agua de mar para motores con accionamiento
D4-300A-E Kit de tubo de escape, AQ. SN2004007440-
D4-300A-E Tubo de escape y tubo de agua de refrigeración, D4, unidad propulsora DPH/DPR, ampliada
D4-300A-E Tubo de escape y tubo de agua de refrigeración, D4, unidad propulsora DPH/DPR
D4-300A-E Kit del tubo vertical de escape, AQ
D4-300A-E Toma de agua de refrigeración
D4-300A-E Kit de tubo de escape, AQ. SN-2004007439
D4-300A-F Tubo de escape y tubo de agua de refrigeración, D4, unidad propulsora DPH/DPR, ampliada
D4-300A-F Eje intermedio, componentes de conexión
D4-300A-F Kit del tubo vertical de escape, AQ
D4-300A-F Tubo de escape y tubo de agua de refrigeración, D4, unidad propulsora DPH/DPR
D4-300A-F Bomba de agua marina y filtro de agua marina
D4-300A-F Toma de agua de refrigeración
D4-300A-G Tubo de escape y tubo del agua de refrigeración, D4, estándar
D4-300A-G Tubo de escape y tubo de agua de refrigeración, D4, corto, opcional
D4-300A-G Eje intermedio, componentes de conexión
D4-300A-G Enfriador del aire de admisión
D4-300A-G Bomba de agua marina y filtro de agua marina
D4-300A-G Kit del tubo vertical de escape, AQ
D4-300A-G Kit de tubos de escape, AQ
D4-300A-G Kit de tubo de escape, intraborda/AQ, eje intermediario
D4-300A-G Toma de agua de refrigeración
D4-300D-A Eje intermedio, componentes de conexión
D4-300D-A Bomba de agua de mar y filtro de agua de mar para motores con accionamiento
D4-300D-A Toma de agua de refrigeración
D4-300D-C Eje intermedio, componentes de conexión
D4-300D-C Bomba de agua de mar y filtro de agua de mar para motores con accionamiento
D4-300D-C Toma de agua de refrigeración
D4-300D-D Eje intermedio, componentes de conexión
D4-300D-D Bomba de agua de mar y filtro de agua de mar para motores con accionamiento
D4-300D-D Toma de agua de refrigeración
D4-300D-E Bomba de agua de mar y filtro de agua de mar para motores con accionamiento
D4-300D-E Eje intermedio, componentes de conexión
D4-300D-E Toma de agua de refrigeración
D4-300D-F Bomba de agua marina y filtro de agua marina
D4-300D-F Toma de agua de refrigeración
D4-300I-A Eje intermedio, componentes de conexión
D4-300I-A Kit de conexión del inversor HS80AE
D4-300I-A Kit de conexión del inversor HS63IVE
D4-300I-A Kit de conexión del inversor HS63AE
D4-300I-A Toma de agua de refrigeración
D4-300I-C Eje intermedio, componentes de conexión
D4-300I-C Kit de conexión del inversor HS80AE
D4-300I-C Kit de conexión del inversor HS63IVE
D4-300I-C Kit de conexión del inversor HS63AE
D4-300I-C Toma de agua de refrigeración
D4-300I-D Eje intermedio, componentes de conexión
D4-300I-D Kit de conexión del inversor HS80AE
D4-300I-D Kit de conexión del inversor HS63IVE
D4-300I-D Kit de conexión del inversor HS63AE
D4-300I-D Toma de agua de refrigeración
D4-300I-E Eje intermedio, componentes de conexión
D4-300I-E Kit de conexión del inversor HS80AE
D4-300I-E Kit de conexión del inversor HS63IVE
D4-300I-E Kit de conexión del inversor HS63AE
D4-300I-E Toma de agua de refrigeración
D4-300I-F Bomba de agua marina y filtro de agua marina
D4-300I-F Kit de conexión del inversor HS63AE
D4-300I-F Kit de conexión del inversor HS63IVE
D4-300I-F Kit de conexión del inversor HS80AE
D4-300I-F Toma de agua de refrigeración
D4-300I-G Repuestos de conexión, inversor HS68A-A
D4-300I-G Piezas de conexión de marcha atrás HS85AE-A
D4-300I-G Enfriador del aire de admisión
D4-300I-G Bomba de agua marina y filtro de agua marina
D4-300I-G Repuestos de conexión inversor HS80AE
D4-300I-G Repuestos de conexión, inversor ZF220
D4-300I-G Kit de tubo de escape, intraborda/AQ, eje intermediario
D4-300I-G Repuestos de la conexión, inversor HS68IV-A, NS A1094450-
D4-300I-G Repuestos de la conexión, Inversor HS68IV, NS -A1094449
D4-300I-G Toma de agua de refrigeración
D4-320A-G Tubo de escape y tubo del agua de refrigeración, D4, estándar
D4-320A-G Tubo de escape y tubo de agua de refrigeración, D4, corto, opcional
D4-320A-G Eje intermedio, componentes de conexión
D4-320A-G Enfriador del aire de admisión
D4-320A-G Bomba de agua marina y filtro de agua marina
D4-320A-G Repuestos de conexión inversor HS85IVE
D4-320A-G Kit del tubo vertical de escape, AQ
D4-320A-G Kit de tubos de escape, AQ
D4-320A-G Kit de tubo de escape, intraborda/AQ, eje intermediario
D4-320A-G Toma de agua de refrigeración
D4-320I-G Repuestos de conexión, inversor HS68A-A
D4-320I-G Piezas de conexión de marcha atrás HS85AE-A
D4-320I-G Enfriador del aire de admisión
D4-320I-G Bomba de agua marina y filtro de agua marina
D4-320I-G Repuestos de conexión inversor HS80AE
D4-320I-G Repuestos de conexión inversor HS85IVE
D4-320I-G Repuestos de conexión, inversor ZF220
D4-320I-G Kit de tubo de escape, intraborda/AQ, eje intermediario
D4-320I-G Repuestos de la conexión, inversor HS68IV-A, NS A1094450-
D4-320I-G Repuestos de la conexión, Inversor HS68IV, NS -A1094449
D4-320I-G Toma de agua de refrigeración
D5A-B TA Enfriamiento de quilla, dos circuitos con enfriador de aire de carga
D5A-B TA Intercambiador de calor, enfriador de aire de carga y carcasa del termostato. Enfriamiento por agua de mar
D5A-B TA Enfriamiento de quilla, circuito de 1,5 con enfriador de aire de carga y carcasa de termostato
D5A-B TA Enfriamiento de quilla, dos circuitos con enfriador de aire de carga, intercambiador de calor y carcasa de termostato
D5A-B TA Línea de escape húmeda 4'' (102mm)
D5A-B TA Sistema de enfriamiento de dos circuitos con intercambiador de calor, enfriador de aire de carga y carcasa del termostato
D5A-B TA Enfriador de aceite para ZF 45-1, ZF 220, ZF 280
D5A-T Intercambiador de calor y carcasa del termostato. Enfriamiento por agua de mar
D5A-T Línea de escape húmeda 4'' (102mm)
D5A-T Intercambiador de calor y carcasa del termostato
D5A-T Enfriador de aceite para ZF 45-1, ZF 220, ZF 280
D5A-TA Enfriamiento de quilla, dos circuitos con enfriador de aire de carga
D5A-TA Intercambiador de calor, enfriador de aire de carga y carcasa del termostato. Enfriamiento por agua de mar
D5A-TA Enfriamiento de quilla, circuito de 1,5 con enfriador de aire de carga y carcasa de termostato
D5A-TA Enfriamiento de quilla, dos circuitos con enfriador de aire de carga, intercambiador de calor y carcasa de termostato
D5A-TA Línea de escape húmeda 4'' (102mm)
D5A-TA Sistema de enfriamiento de dos circuitos con intercambiador de calor, enfriador de aire de carga y carcasa del termostato
D5A-TA Enfriador de aceite para ZF 45-1, ZF 220, ZF 280
D6-280A-A Kit de tubos de escape, AQ
D6-280A-A Tubo de escape y tubería de agua de refrigeración DPH/DPR Unidad de accionamiento
D6-280A-A Eje intermedio, componentes de conexión
D6-280A-A Tubo de escape y tubo de agua de refrigeración, D6, unidad propulsora DPH/DPR
D6-280A-A Bomba de agua de mar y filtro de agua de mar para motores con accionamiento
D6-280A-A Kit del tubo vertical de escape, AQ
D6-280A-B Kit de tubos de escape, AQ
D6-280A-B Tubo de escape y tubería de agua de refrigeración DPH/DPR Unidad de accionamiento
D6-280A-B Eje intermedio, componentes de conexión
D6-280A-B Tubo de escape y tubo de agua de refrigeración, D6, unidad propulsora DPH/DPR
D6-280A-B Bomba de agua de mar y filtro de agua de mar para motores con accionamiento
D6-280A-B Kit del tubo vertical de escape, AQ
D6-280A-C Kit de tubos de escape, AQ
D6-280A-C Tubo de escape y tubería de agua de refrigeración DPH/DPR Unidad de accionamiento
D6-280A-C Eje intermedio, componentes de conexión
D6-280A-C Tubo de escape y tubo de agua de refrigeración, D6, unidad propulsora DPH/DPR, ampliada
D6-280A-C Tubo de escape y tubo de agua de refrigeración, D6, unidad propulsora DPH/DPR
D6-280A-C Bomba de agua de mar y filtro de agua de mar para motores con accionamiento
D6-280A-C Kit del tubo vertical de escape, AQ
D6-280A-D Kit de tubos de escape, AQ
D6-280A-D Tubo de escape y tubería de agua de refrigeración DPH/DPR Unidad de accionamiento
D6-280A-D Eje intermedio, componentes de conexión
D6-280A-D Tubo de escape y tubo de agua de refrigeración, D6, unidad propulsora DPH/DPR, ampliada
D6-280A-D Tubo de escape y tubo de agua de refrigeración, D6, unidad propulsora DPH/DPR
D6-280A-D Bomba de agua de mar y filtro de agua de mar para motores con accionamiento
D6-280A-D Kit del tubo vertical de escape, AQ
D6-280A-E Kit de tubos de escape, AQ
D6-280A-E Tubo de escape y tubería de agua de refrigeración DPH/DPR Unidad de accionamiento
D6-280A-E Bomba de agua marina y filtro de agua marina
D6-280A-E Eje intermedio, componentes de conexión
D6-280A-E Tubo de escape y tubo de agua de refrigeración, D6, unidad propulsora DPH/DPR, ampliada
D6-280A-E Tubo de escape y tubo de agua de refrigeración, D6, unidad propulsora DPH/DPR
D6-280A-E Kit del tubo vertical de escape, AQ
D6-280I-A Eje intermedio, componentes de conexión
D6-280I-A Kit de conexión del inversor HS63IVE
D6-280I-A Kit de conexión marcha atrás HS80IVE
D6-280I-A Kit de elevador de escape, cola v
D6-280I-B Eje intermedio, componentes de conexión
D6-280I-B Kit de conexión del inversor HS63IVE
D6-280I-B Kit de conexión marcha atrás HS80IVE
D6-280I-B Kit de elevador de escape, cola v
D6-280I-C Eje intermedio, componentes de conexión
D6-280I-C Kit de conexión del inversor HS63IVE
D6-280I-C Tubo de escape y tubería de agua de refrigeración DPH/DPR Unidad de accionamiento
D6-280I-C Tubo de escape y tubo de agua de refrigeración, D6, unidad propulsora DPH/DPR, ampliada
D6-280I-C Tubo de escape y tubo de agua de refrigeración, D6, unidad propulsora DPH/DPR
D6-280I-C Kit de elevador de escape, cola v
D6-280I-D Eje intermedio, componentes de conexión
D6-280I-D Kit de conexión del inversor HS63IVE
D6-280I-D Tubo de escape y tubería de agua de refrigeración DPH/DPR Unidad de accionamiento
D6-280I-D Tubo de escape y tubo de agua de refrigeración, D6, unidad propulsora DPH/DPR, ampliada
D6-280I-D Tubo de escape y tubo de agua de refrigeración, D6, unidad propulsora DPH/DPR
D6-280I-D Kit de elevador de escape, cola v
D6-280I-E Eje intermedio, componentes de conexión
D6-280I-E Kit de conexión del inversor HS63IVE
D6-280I-E Kit de elevador de escape, cola v
D6-300A-F Bomba de agua marina y filtro de agua marina
D6-300A-F Kit de tubos de escape, AQ
D6-300A-F Kit del tubo vertical de escape, AQ
D6-300A-F Tubo de escape y tubo de agua de refrigeración, D6, unidad propulsora DPH/DPR, ampliada
D6-300A-F Tubo de escape y tubo de agua de refrigeración, D6, unidad propulsora DPH/DPR
D6-300A-G Eje intermedio, componentes de conexión
D6-300A-G Enfriador del aire de admisión
D6-300A-G Bomba de agua marina y filtro de agua marina
D6-300A-G Tubo de escape y tubo de agua de refrigeración, D6, corto, opcional
D6-300A-G Tubo de escape y tubo de agua de refrigeración, D6, estándar
D6-300A-G Kit de tubo de escape, intraborda/AQ, eje intermediario
D6-300A-G Tubo vertical de escape IPS, calificación baja
D6-300A-G Tubo vertical de escape AQ
D6-300A-G Tubo vertical de escape, eje intermediario de intraborda/AQ
D6-300A-G Kit de tubos de escape, AQ
D6-300D-F Bomba de agua marina y filtro de agua marina
D6-300D-G Repuestos de conexión, caja del filtro de aceite IPS10
D6-300D-G Enfriador del aire de admisión
D6-300D-G Bomba de agua marina y filtro de agua marina
D6-300D-G Kit de tubo de escape, intraborda/AQ, eje intermediario
D6-300D-G Tubo vertical de escape IPS, calificación baja
D6-300I-F Eje intermedio, componentes de conexión
D6-300I-F Kit de conexión del inversor HS80AE
D6-300I-F Kit de elevador de escape, cola v
D6-300I-G Repuestos de conexión, inversor HS68A-A
D6-300I-G Piezas de conexión de marcha atrás HS85AE-A
D6-300I-G Enfriador del aire de admisión
D6-300I-G Bomba de agua marina y filtro de agua marina
D6-300I-G Repuestos de conexión, inversor HS68IV
D6-300I-G Repuestos de conexión inversor HS85IVE
D6-300I-G Kit de tubo de escape, intraborda/AQ, eje intermediario
D6-300I-G Tubo vertical de escape IPS, calificación baja
D6-300I-G Tubo vertical de escape, propulsor en V
D6-300I-G Repuestos de conexión, inversor ZF220
D6-310A-A Kit de tubos de escape, AQ
D6-310A-A Tubo de escape y tubería de agua de refrigeración DPH/DPR Unidad de accionamiento
D6-310A-A Eje intermedio, componentes de conexión
D6-310A-A Tubo de escape y tubo de agua de refrigeración, D6, unidad propulsora DPH/DPR
D6-310A-A Bomba de agua de mar y filtro de agua de mar para motores con accionamiento
D6-310A-A Kit del tubo vertical de escape, AQ
D6-310A-B Kit de tubos de escape, AQ
D6-310A-B Tubo de escape y tubería de agua de refrigeración DPH/DPR Unidad de accionamiento
D6-310A-B Eje intermedio, componentes de conexión
D6-310A-B Tubo de escape y tubo de agua de refrigeración, D6, unidad propulsora DPH/DPR
D6-310A-B Bomba de agua de mar y filtro de agua de mar para motores con accionamiento
D6-310A-B Kit del tubo vertical de escape, AQ
D6-310A-C Kit de tubos de escape, AQ
D6-310A-C Tubo de escape y tubería de agua de refrigeración DPH/DPR Unidad de accionamiento
D6-310A-C Eje intermedio, componentes de conexión
D6-310A-C Tubo de escape y tubo de agua de refrigeración, D6, unidad propulsora DPH/DPR, ampliada
D6-310A-C Tubo de escape y tubo de agua de refrigeración, D6, unidad propulsora DPH/DPR
D6-310A-C Kit del tubo vertical de escape, AQ
D6-310A-D Kit de tubos de escape, AQ
D6-310A-D Tubo de escape y tubería de agua de refrigeración DPH/DPR Unidad de accionamiento
D6-310A-D Eje intermedio, componentes de conexión
D6-310A-D Tubo de escape y tubo de agua de refrigeración, D6, unidad propulsora DPH/DPR, ampliada
D6-310A-D Tubo de escape y tubo de agua de refrigeración, D6, unidad propulsora DPH/DPR
D6-310A-D Kit del tubo vertical de escape, AQ
D6-310A-E Kit de tubos de escape, AQ
D6-310A-E Tubo de escape y tubería de agua de refrigeración DPH/DPR Unidad de accionamiento
D6-310A-E Bomba de agua marina y filtro de agua marina
D6-310A-E Eje intermedio, componentes de conexión
D6-310A-E Tubo de escape y tubo de agua de refrigeración, D6, unidad propulsora DPH/DPR, ampliada
D6-310A-E Tubo de escape y tubo de agua de refrigeración, D6, unidad propulsora DPH/DPR
D6-310A-E Kit del tubo vertical de escape, AQ
D6-310D-B Kit de tubos de escape, AQ
D6-310D-B Bomba de agua de mar y filtro de agua de mar para motores con accionamiento
D6-310D-B Kit del tubo vertical de escape, AQ
D6-310D-C Kit de tubos de escape, AQ
D6-310D-C Bomba de agua de mar y filtro de agua de mar para motores con accionamiento
D6-310D-C Kit del tubo vertical de escape, AQ
D6-310D-D Kit de tubos de escape, AQ
D6-310D-D Bomba de agua de mar y filtro de agua de mar para motores con accionamiento
D6-310D-D Kit del tubo vertical de escape, AQ
D6-310D-E Kit de tubos de escape, AQ
D6-310D-E Bomba de agua marina y filtro de agua marina
D6-310D-E Kit del tubo vertical de escape, AQ
D6-310I-A Eje intermedio, componentes de conexión
D6-310I-A Kit de conexión del inversor HS80AE
D6-310I-A Kit de conexión del inversor HS63IVE
D6-310I-A Kit de conexión marcha atrás HS80IVE
D6-310I-A Kit de elevador de escape, cola v
D6-310I-B Eje intermedio, componentes de conexión
D6-310I-B Kit de conexión del inversor HS80AE
D6-310I-B Kit de conexión del inversor HS63IVE
D6-310I-B Kit de conexión marcha atrás HS80IVE
D6-310I-B Kit de elevador de escape, cola v
D6-310I-C Eje intermedio, componentes de conexión
D6-310I-C Kit de conexión del inversor HS80AE
D6-310I-C Kit de conexión del inversor HS63IVE
D6-310I-C Tubo de escape y tubería de agua de refrigeración DPH/DPR Unidad de accionamiento
D6-310I-C Tubo de escape y tubo de agua de refrigeración, D6, unidad propulsora DPH/DPR, ampliada
D6-310I-C Tubo de escape y tubo de agua de refrigeración, D6, unidad propulsora DPH/DPR
D6-310I-C Kit de elevador de escape, cola v
D6-310I-D Eje intermedio, componentes de conexión
D6-310I-D Kit de conexión del inversor HS80AE
D6-310I-D Kit de conexión del inversor HS63IVE
D6-310I-D Tubo de escape y tubería de agua de refrigeración DPH/DPR Unidad de accionamiento
D6-310I-D Tubo de escape y tubo de agua de refrigeración, D6, unidad propulsora DPH/DPR, ampliada
D6-310I-D Tubo de escape y tubo de agua de refrigeración, D6, unidad propulsora DPH/DPR
D6-310I-D Kit de elevador de escape, cola v
D6-310I-E Eje intermedio, componentes de conexión
D6-310I-E Kit de conexión del inversor HS80AE
D6-310I-E Kit de conexión del inversor HS63IVE
D6-310I-E Kit de elevador de escape, cola v
D6-330A-B Kit de tubos de escape, AQ
D6-330A-B Tubo de escape y tubería de agua de refrigeración DPH/DPR Unidad de accionamiento
D6-330A-B Eje intermedio, componentes de conexión
D6-330A-B Tubo de escape y tubo de agua de refrigeración, D6, unidad propulsora DPH/DPR
D6-330A-B Bomba de agua de mar y filtro de agua de mar para motores con accionamiento
D6-330A-B Kit del tubo vertical de escape, AQ
D6-330A-C Kit de tubos de escape, AQ
D6-330A-C Tubo de escape y tubería de agua de refrigeración DPH/DPR Unidad de accionamiento
D6-330A-C Eje intermedio, componentes de conexión
D6-330A-C Tubo de escape y tubo de agua de refrigeración, D6, unidad propulsora DPH/DPR, ampliada
D6-330A-C Tubo de escape y tubo de agua de refrigeración, D6, unidad propulsora DPH/DPR
D6-330A-C Bomba de agua de mar y filtro de agua de mar para motores con accionamiento
D6-330A-C Kit del tubo vertical de escape, AQ
D6-330A-D Kit de tubos de escape, AQ
D6-330A-D Tubo de escape y tubería de agua de refrigeración DPH/DPR Unidad de accionamiento
D6-330A-D Eje intermedio, componentes de conexión
D6-330A-D Tubo de escape y tubo de agua de refrigeración, D6, unidad propulsora DPH/DPR, ampliada
D6-330A-D Tubo de escape y tubo de agua de refrigeración, D6, unidad propulsora DPH/DPR
D6-330A-D Bomba de agua de mar y filtro de agua de mar para motores con accionamiento
D6-330A-D Kit del tubo vertical de escape, AQ
D6-330A-E Kit de tubos de escape, AQ
D6-330A-E Tubo de escape y tubería de agua de refrigeración DPH/DPR Unidad de accionamiento
D6-330A-E Bomba de agua marina y filtro de agua marina
D6-330A-E Eje intermedio, componentes de conexión
D6-330A-E Tubo de escape y tubo de agua de refrigeración, D6, unidad propulsora DPH/DPR, ampliada
D6-330A-E Tubo de escape y tubo de agua de refrigeración, D6, unidad propulsora DPH/DPR
D6-330A-E Kit del tubo vertical de escape, AQ
D6-330A-F Bomba de agua marina y filtro de agua marina
D6-330A-F Eje intermedio, componentes de conexión
D6-330A-F Kit de tubos de escape, AQ
D6-330A-F Kit del tubo vertical de escape, AQ
D6-330A-F Tubo de escape y tubo de agua de refrigeración, D6, unidad propulsora DPH/DPR
D6-330D-B Kit de tubos de escape, AQ
D6-330D-B Bomba de agua de mar y filtro de agua de mar para motores con accionamiento
D6-330D-B Kit del tubo vertical de escape, AQ
D6-330D-C Kit de tubos de escape, AQ
D6-330D-C Bomba de agua de mar y filtro de agua de mar para motores con accionamiento
D6-330D-C Kit del tubo vertical de escape, AQ
D6-330D-D Kit de tubos de escape, AQ
D6-330D-D Bomba de agua de mar y filtro de agua de mar para motores con accionamiento
D6-330D-D Kit del tubo vertical de escape, AQ
D6-330D-E Kit de tubos de escape, AQ
D6-330D-E Bomba de agua marina y filtro de agua marina
D6-330D-E Kit del tubo vertical de escape, AQ
D6-330D-F Bomba de agua marina y filtro de agua marina
D6-330I-B Kit de conexión del inversor HS80AE
D6-330I-B Kit de conexión del inversor HS63IVE
D6-330I-B Kit de conexión marcha atrás HS80IVE
D6-330I-B Kit de elevador de escape, cola v
D6-330I-C Kit de conexión del inversor HS80AE
D6-330I-C Kit de conexión del inversor HS63IVE
D6-330I-C Tubo de escape y tubería de agua de refrigeración DPH/DPR Unidad de accionamiento
D6-330I-C Eje intermedio, componentes de conexión
D6-330I-C Tubo de escape y tubo de agua de refrigeración, D6, unidad propulsora DPH/DPR, ampliada
D6-330I-C Tubo de escape y tubo de agua de refrigeración, D6, unidad propulsora DPH/DPR
D6-330I-C Kit de elevador de escape, cola v
D6-330I-D Kit de conexión del inversor HS80AE
D6-330I-D Kit de conexión del inversor HS63IVE
D6-330I-D Tubo de escape y tubería de agua de refrigeración DPH/DPR Unidad de accionamiento
D6-330I-D Eje intermedio, componentes de conexión
D6-330I-D Tubo de escape y tubo de agua de refrigeración, D6, unidad propulsora DPH/DPR, ampliada
D6-330I-D Tubo de escape y tubo de agua de refrigeración, D6, unidad propulsora DPH/DPR
D6-330I-D Kit de elevador de escape, cola v
D6-330I-E Kit de conexión del inversor HS80AE
D6-330I-E Kit de conexión del inversor HS63IVE
D6-330I-E Kit de elevador de escape, cola v
D6-330I-F Eje intermedio, componentes de conexión
D6-330I-F Kit de conexión del inversor HS80AE
D6-330I-F Kit de elevador de escape, cola v
D6-340A-G Eje intermedio, componentes de conexión
D6-340A-G Enfriador del aire de admisión
D6-340A-G Bomba de agua marina y filtro de agua marina
D6-340A-G Tubo de escape y tubo de agua de refrigeración, D6, corto, opcional
D6-340A-G Tubo de escape y tubo de agua de refrigeración, D6, estándar
D6-340A-G Kit de tubo de escape, intraborda/AQ, eje intermediario
D6-340A-G Tubo vertical de escape IPS, calificación baja
D6-340A-G Tubo vertical de escape AQ
D6-340A-G Tubo vertical de escape, eje intermediario de intraborda/AQ
D6-340A-G Kit de tubos de escape, AQ
D6-340D-G Repuestos de conexión, caja del filtro de aceite IPS10
D6-340D-G Enfriador del aire de admisión
D6-340D-G Bomba de agua marina y filtro de agua marina
D6-340D-G Kit de tubo de escape, intraborda/AQ, eje intermediario
D6-340D-G Tubo vertical de escape IPS, calificación baja
D6-340I-G Repuestos de conexión, inversor HS68A-A
D6-340I-G Piezas de conexión de marcha atrás HS85AE-A
D6-340I-G Enfriador del aire de admisión
D6-340I-G Bomba de agua marina y filtro de agua marina
D6-340I-G Repuestos de conexión, inversor HS68IV
D6-340I-G Repuestos de conexión inversor HS85IVE
D6-340I-G Kit de tubo de escape, intraborda/AQ, eje intermediario
D6-340I-G Tubo vertical de escape IPS, calificación baja
D6-340I-G Tubo vertical de escape, propulsor en V
D6-340I-G Repuestos de conexión, inversor ZF220
D6-350A-A Kit de tubos de escape, AQ
D6-350A-A Tubo de escape y tubería de agua de refrigeración DPH/DPR Unidad de accionamiento
D6-350A-A Eje intermedio, componentes de conexión
D6-350A-A Tubo de escape y tubo de agua de refrigeración, D6, unidad propulsora DPH/DPR
D6-350A-A Bomba de agua de mar y filtro de agua de mar para motores con accionamiento
D6-350A-A Kit del tubo vertical de escape, AQ
D6-350A-B Kit de tubos de escape, AQ
D6-350A-B Tubo de escape y tubería de agua de refrigeración DPH/DPR Unidad de accionamiento
D6-350A-B Eje intermedio, componentes de conexión
D6-350A-B Tubo de escape y tubo de agua de refrigeración, D6, unidad propulsora DPH/DPR
D6-350A-B Bomba de agua de mar y filtro de agua de mar para motores con accionamiento
D6-350A-B Kit del tubo vertical de escape, AQ
D6-370A-B Kit de tubos de escape, AQ
D6-370A-B Tubo de escape y tubería de agua de refrigeración DPH/DPR Unidad de accionamiento
D6-370A-B Eje intermedio, componentes de conexión
D6-370A-B Tubo de escape y tubo de agua de refrigeración, D6, unidad propulsora DPH/DPR
D6-370A-B Bomba de agua de mar y filtro de agua de mar para motores con accionamiento
D6-370A-B Kit del tubo vertical de escape, AQ
D6-370A-C Kit de tubos de escape, AQ
D6-370A-C Tubo de escape y tubería de agua de refrigeración DPH/DPR Unidad de accionamiento
D6-370A-C Eje intermedio, componentes de conexión
D6-370A-C Tubo de escape y tubo de agua de refrigeración, D6, unidad propulsora DPH/DPR, ampliada
D6-370A-C Tubo de escape y tubo de agua de refrigeración, D6, unidad propulsora DPH/DPR
D6-370A-C Bomba de agua de mar y filtro de agua de mar para motores con accionamiento
D6-370A-C Kit del tubo vertical de escape, AQ
D6-370A-D Kit de tubos de escape, AQ
D6-370A-D Tubo de escape y tubería de agua de refrigeración DPH/DPR Unidad de accionamiento
D6-370A-D Eje intermedio, componentes de conexión
D6-370A-D Tubo de escape y tubo de agua de refrigeración, D6, unidad propulsora DPH/DPR, ampliada
D6-370A-D Tubo de escape y tubo de agua de refrigeración, D6, unidad propulsora DPH/DPR
D6-370A-D Bomba de agua de mar y filtro de agua de mar para motores con accionamiento
D6-370A-D Kit del tubo vertical de escape, AQ
D6-370A-E Kit de tubos de escape, AQ
D6-370A-E Tubo de escape y tubería de agua de refrigeración DPH/DPR Unidad de accionamiento
D6-370A-E Bomba de agua marina y filtro de agua marina
D6-370A-E Eje intermedio, componentes de conexión
D6-370A-E Tubo de escape y tubo de agua de refrigeración, D6, unidad propulsora DPH/DPR, ampliada
D6-370A-E Tubo de escape y tubo de agua de refrigeración, D6, unidad propulsora DPH/DPR
D6-370A-E Kit del tubo vertical de escape, AQ
D6-370A-F Bomba de agua marina y filtro de agua marina
D6-370A-F Eje intermedio, componentes de conexión
D6-370A-F Kit de tubos de escape, AQ
D6-370A-F Kit del tubo vertical de escape, AQ
D6-370A-F Tubo de escape y tubo de agua de refrigeración, D6, unidad propulsora DPH/DPR, ampliada
D6-370A-F Tubo de escape y tubo de agua de refrigeración, D6, unidad propulsora DPH/DPR
D6-370D-A Bomba de agua de mar y filtro de agua de mar para motores con accionamiento
D6-370D-A Kit de tubos de escape, AQ
D6-370D-B Kit de tubos de escape, AQ
D6-370D-B Bomba de agua de mar y filtro de agua de mar para motores con accionamiento
D6-370D-C Kit de tubos de escape, AQ
D6-370D-C Bomba de agua de mar y filtro de agua de mar para motores con accionamiento
D6-370D-D Kit de tubos de escape, AQ
D6-370D-D Bomba de agua de mar y filtro de agua de mar para motores con accionamiento
D6-370D-E Kit de tubos de escape, AQ
D6-370D-E Bomba de agua marina y filtro de agua marina
D6-370D-F Bomba de agua marina y filtro de agua marina
D6-370I-A Kit de conexión del inversor HS80AE
D6-370I-A Kit de conexión marcha atrás HS80IVE
D6-370I-A Kit de elevador de escape, cola v
D6-370I-B Kit de conexión del inversor HS80AE
D6-370I-B Kit de conexión marcha atrás HS80IVE
D6-370I-B Kit de elevador de escape, cola v
D6-370I-C Kit de conexión del inversor HS80AE
D6-370I-C Kit de elevador de escape, cola v
D6-370I-D Kit de conexión del inversor HS80AE
D6-370I-D Kit de elevador de escape, cola v
D6-370I-E Kit de conexión del inversor HS80AE
D6-370I-E Kit de elevador de escape, cola v
D6-370I-F Eje intermedio, componentes de conexión
D6-370I-F Kit de conexión del inversor HS80AE
D6-370I-F Kit de elevador de escape, cola v
D6-380A-G Eje intermedio, componentes de conexión
D6-380A-G Enfriador del aire de admisión
D6-380A-G Bomba de agua marina y filtro de agua marina
D6-380A-G Tubo de escape y tubo de agua de refrigeración, D6, corto, opcional
D6-380A-G Tubo de escape y tubo de agua de refrigeración, D6, estándar
D6-380A-G Kit de tubo de escape, intraborda/AQ, eje intermediario
D6-380A-G Tubo vertical de escape IPS, calificación baja
D6-380A-G Tubo vertical de escape AQ
D6-380A-G Tubo vertical de escape, eje intermediario de intraborda/AQ
D6-380A-G Kit de tubos de escape, AQ
D6-380D-G Repuestos de conexión, caja del filtro de aceite IPS10
D6-380D-G Enfriador del aire de admisión
D6-380D-G Bomba de agua marina y filtro de agua marina
D6-380D-G Kit de tubo de escape para IPS
D6-380D-G Kit de tubo de escape, intraborda/AQ, eje intermediario
D6-380D-G Tubo vertical de escape IPS, calificación baja
D6-380I-G Repuestos de conexión, inversor HS68A-A
D6-380I-G Piezas de conexión de marcha atrás HS85AE-A
D6-380I-G Enfriador del aire de admisión
D6-380I-G Bomba de agua marina y filtro de agua marina
D6-380I-G Repuestos de conexión, inversor HS68IV
D6-380I-G Repuestos de conexión inversor HS85IVE
D6-380I-G Kit de tubo de escape, intraborda/AQ, eje intermediario
D6-380I-G Tubo vertical de escape IPS, calificación baja
D6-380I-G Tubo vertical de escape, propulsor en V
D6-380I-G Repuestos de conexión, inversor ZF220
D6-400A-E Tubo de escape y tubería de agua de refrigeración DPH/DPR Unidad de accionamiento
D6-400A-E Bomba de agua marina y filtro de agua marina
D6-400A-E Eje intermedio, componentes de conexión
D6-400A-E Tubo de escape y tubo de agua de refrigeración, D6, unidad propulsora DPH/DPR, ampliada
D6-400A-E Tubo de escape y tubo de agua de refrigeración, D6, unidad propulsora DPH/DPR
D6-400A-F Bomba de agua marina y filtro de agua marina
D6-400A-F Eje intermedio, componentes de conexión
D6-400A-F Kit de tubos de escape, AQ
D6-400A-F Kit del tubo vertical de escape, AQ
D6-400A-F Tubo de escape y tubo de agua de refrigeración, D6, unidad propulsora DPH/DPR, ampliada
D6-400A-G Eje intermedio, componentes de conexión
D6-400A-G Enfriador del aire de admisión
D6-400A-G Bomba de agua marina y filtro de agua marina
D6-400A-G Tubo de escape y tubo de agua de refrigeración, D6, corto, opcional
D6-400A-G Tubo de escape y tubo de agua de refrigeración, D6, estándar
D6-400A-G Kit de tubo de escape, intraborda/AQ, eje intermediario
D6-400A-G Tubo de escape vertical IPS, calificación alta
D6-400A-G Tubo vertical de escape AQ
D6-400A-G Tubo vertical de escape, eje intermediario de intraborda/AQ
D6-400A-G Kit de tubos de escape, AQ
D6-435D-A Bomba de agua de mar y filtro de agua de mar para motores con accionamiento
D6-435D-C Bomba de agua de mar y filtro de agua de mar para motores con accionamiento
D6-435D-D Bomba de agua de mar y filtro de agua de mar para motores con accionamiento
D6-435D-E Bomba de agua marina y filtro de agua marina
D6-435D-F Bomba de agua marina y filtro de agua marina
D6-435I-A Kit de conexión de marcha atrás HS80AE, HS85AE
D6-435I-A Kit de elevador de escape, cola v
D6-435I-C Kit de conexión de marcha atrás HS80AE, HS85AE
D6-435I-C Kit de conexión del inversor HS80AE
D6-435I-C Kit de conexión marcha atrás HS80VE, HS85IVE
D6-435I-C Kit de elevador de escape, cola v
D6-435I-D Kit de conexión de marcha atrás HS80AE, HS85AE
D6-435I-D Kit de conexión del inversor HS80AE
D6-435I-D Kit de conexión marcha atrás HS80VE, HS85IVE
D6-435I-D Kit de elevador de escape, cola v
D6-435I-E Kit de conexión de marcha atrás HS80AE, HS85AE
D6-435I-E Kit de conexión del inversor HS80AE
D6-435I-E Kit de conexión marcha atrás HS80VE, HS85IVE
D6-435I-E Kit de elevador de escape, cola v
D6-435I-F Eje intermedio, componentes de conexión
D6-435I-F Kit de conexión del inversor HS80AE
D6-435I-F Kit de conexión de marcha atrás HS80AE, HS85AE
D6-435I-F Kit de conexión marcha atrás HS80VE, HS85IVE
D6-435I-F Kit de elevador de escape, cola v
D6-440A-G Eje intermedio, componentes de conexión
D6-440A-G Enfriador del aire de admisión
D6-440A-G Bomba de agua marina y filtro de agua marina
D6-440A-G Tubo de escape y tubo de agua de refrigeración, D6, corto, opcional
D6-440A-G Tubo de escape y tubo de agua de refrigeración, D6, estándar
D6-440A-G Kit de tubo de escape, intraborda/AQ, eje intermediario
D6-440A-G Tubo de escape vertical IPS, calificación alta
D6-440A-G Tubo vertical de escape AQ
D6-440A-G Tubo vertical de escape, eje intermediario de intraborda/AQ
D6-440A-G Kit de tubos de escape, AQ
D6-440D-G Repuestos de conexión, caja del filtro de aceite IPS10
D6-440D-G Enfriador del aire de admisión
D6-440D-G Bomba de agua marina y filtro de agua marina
D6-440D-G Kit de tubo de escape para IPS
D6-440D-G Kit de tubo de escape, intraborda/AQ, eje intermediario
D6-440D-G Tubo de escape vertical IPS, calificación alta
D6-440I-G Piezas de conexión de marcha atrás HS85AE-A
D6-440I-G Enfriador del aire de admisión
D6-440I-G Bomba de agua marina y filtro de agua marina
D6-440I-G Repuestos de conexión inversor HS85IVE
D6-440I-G Kit de tubo de escape, intraborda/AQ, eje intermediario
D6-440I-G Tubo de escape vertical IPS, calificación alta
D6-440I-G Tubo vertical de escape, propulsor en V
D6-440I-G Repuestos de conexión, inversor ZF220, alta potencia
D6-440I-WJ-G Piezas de conexión de marcha atrás HS85AE-A
D6-440I-WJ-G Enfriador del aire de admisión
D6-440I-WJ-G Bomba de agua marina y filtro de agua marina
D6-440I-WJ-G Repuestos de conexión inversor HS85IVE
D6-440I-WJ-G Kit de tubo de escape, intraborda/AQ, eje intermediario
D6-440I-WJ-G Tubo de escape vertical IPS, calificación alta
D6-440I-WJ-G Repuestos de conexión, inversor ZF220, alta potencia
D6-480D-G Repuestos de conexión, caja del filtro de aceite IPS10
D6-480D-G Enfriador del aire de admisión
D6-480D-G Bomba de agua marina y filtro de agua marina
D6-480D-G Kit de tubo de escape para IPS
D6-480D-G Kit de tubo de escape, intraborda/AQ, eje intermediario
D6-480D-G Tubo de escape vertical IPS, calificación alta
D6-480I-G Piezas de conexión de marcha atrás HS85AE-A
D6-480I-G Enfriador del aire de admisión
D6-480I-G Bomba de agua marina y filtro de agua marina
D6-480I-G Repuestos de conexión inversor HS85IVE
D6-480I-G Kit de tubo de escape, intraborda/AQ, eje intermediario
D6-480I-G Tubo de escape vertical IPS, calificación alta
D6-480I-G Tubo vertical de escape, propulsor en V
D6-480I-G Repuestos de conexión, inversor ZF220, alta potencia
D6-480I-WJ-G Piezas de conexión de marcha atrás HS85AE-A
D6-480I-WJ-G Enfriador del aire de admisión
D6-480I-WJ-G Bomba de agua marina y filtro de agua marina
D6-480I-WJ-G Repuestos de conexión inversor HS85IVE
D6-480I-WJ-G Kit de tubo de escape, intraborda/AQ, eje intermediario
D6-480I-WJ-G Tubo de escape vertical IPS, calificación alta
D6-480I-WJ-G Repuestos de conexión, inversor ZF220, alta potencia
D7A-B TA Enfriamiento de quilla, dos circuitos con enfriador de aire de carga
D7A-B TA Intercambiador de calor, enfriador de aire de carga y carcasa del termostato. Enfriamiento por agua de mar
D7A-B TA Enfriamiento de quilla, circuito de 1,5 con enfriador de aire de carga y carcasa de termostato
D7A-B TA Enfriamiento de quilla, dos circuitos con enfriador de aire de carga, intercambiador de calor y carcasa de termostato
D7A-B TA Sistema de enfriamiento de dos circuitos con intercambiador de calor, enfriador de aire de carga y carcasa del termostato
D7A-B TA Enfriador de aceite para ZF 45-1, ZF 220, ZF 280
D7A-T Intercambiador de calor y carcasa del termostato. Enfriamiento por agua de mar
D7A-T Intercambiador de calor y carcasa del termostato
D7A-T Enfriador de aceite para ZF 45-1, ZF 220, ZF 280
D7A-TA Enfriamiento de quilla, dos circuitos con enfriador de aire de carga
D7A-TA Intercambiador de calor, enfriador de aire de carga y carcasa del termostato. Enfriamiento por agua de mar
D7A-TA Enfriamiento de quilla, circuito de 1,5 con enfriador de aire de carga y carcasa de termostato
D7A-TA Enfriamiento de quilla, dos circuitos con enfriador de aire de carga, intercambiador de calor y carcasa de termostato
D7A-TA Sistema de enfriamiento de dos circuitos con intercambiador de calor, enfriador de aire de carga y carcasa del termostato
D7A-TA Enfriador de aceite para ZF 45-1, ZF 220, ZF 280
D7C-B TA Intercambiador de calor, enfriador de aire de carga y carcasa del termostato. Enfriamiento por agua de mar
D7C-B TA Enfriamiento de quilla, circuito de 1,5 con enfriador de aire de carga y carcasa de termostato
D7C-B TA Enfriamiento de quilla, dos circuitos con enfriador de aire de carga, intercambiador de calor y carcasa de termostato
D7C-B TA Enfriador de aceite para ZF 45-1, ZF 220, ZF 280
D7C-TA Intercambiador de calor, enfriador de aire de carga y carcasa del termostato. Enfriamiento por agua de mar
D7C-TA Enfriamiento de quilla, circuito de 1,5 con enfriador de aire de carga y carcasa de termostato
D7C-TA Enfriamiento de quilla, dos circuitos con enfriador de aire de carga, intercambiador de calor y carcasa de termostato
D7C-TA Enfriador de aceite para ZF 45-1, ZF 220, ZF 280
D8A3-A MP Enfriador de aceite para motor con enfriamiento de quilla
D9A2A Tanque de expansión y tuberías de conexión para Kc
D9A2A Tanque de expansión e intercambiador de calor
D9A2A Bomba de agua marina
D9A2A Enfriador de aceite para doble disco MG5114SC, MG5114DC
D9A2B Tanque de expansión e intercambiador de calor
D9A2B Bomba de agua marina
D9A2B Enfriador de aceite para doble disco MG5114SC, MG5114DC
D9A2C Tanque de expansión e intercambiador de calor
D9A2C Bomba de agua marina
D9A2C Enfriador de aceite para doble disco MG5114SC, MG5114DC
D9A2D Tanque de expansión e intercambiador de calor
D9A2D Bomba de agua marina
D9A2D Enfriador de aceite para doble disco MG5114SC, MG5114DC
D9A2E Tanque de expansión e intercambiador de calor
D9A2E Bomba de agua marina
D9A2E Enfriador de aceite para doble disco MG5114SC, MG5114DC
D9A2F Tanque de expansión e intercambiador de calor
D9A2F Bomba de agua marina
D9A2F Enfriador de aceite para doble disco MG5114SC, MG5114DC
D9A2G Tanque de expansión e intercambiador de calor
D9A2G Bomba de agua marina
D9A2G Enfriador de aceite para doble disco MG5114SC, MG5114DC
D9A2H Tanque de expansión e intercambiador de calor
D9A2H Bomba de agua marina
D9A2H Enfriador de aceite para doble disco MG5114SC, MG5114DC
D9A2J Tanque de expansión y tuberías de conexión para Kc
D9A2J Tanque de expansión e intercambiador de calor
D9A2J Bomba de agua marina
D9A2J Enfriador de aceite para doble disco MG5114SC, MG5114DC
D9A2K Tanque de expansión e intercambiador de calor
D9A2K Bomba de agua marina
D9A2K Enfriador de aceite para doble disco MG5114SC, MG5114DC
D9A2L MH Salida de agua marina, auxiliar
D9A2L MH Piezas de conexión del Intercambiador de calor
D9A2L MH Tubos de conexión del sistema de refrigeración para KC
D9A2L MH Bomba de agua marina
D9A2M MP Piezas de conexión del Intercambiador de calor
D9A2M MP Bomba de agua marina
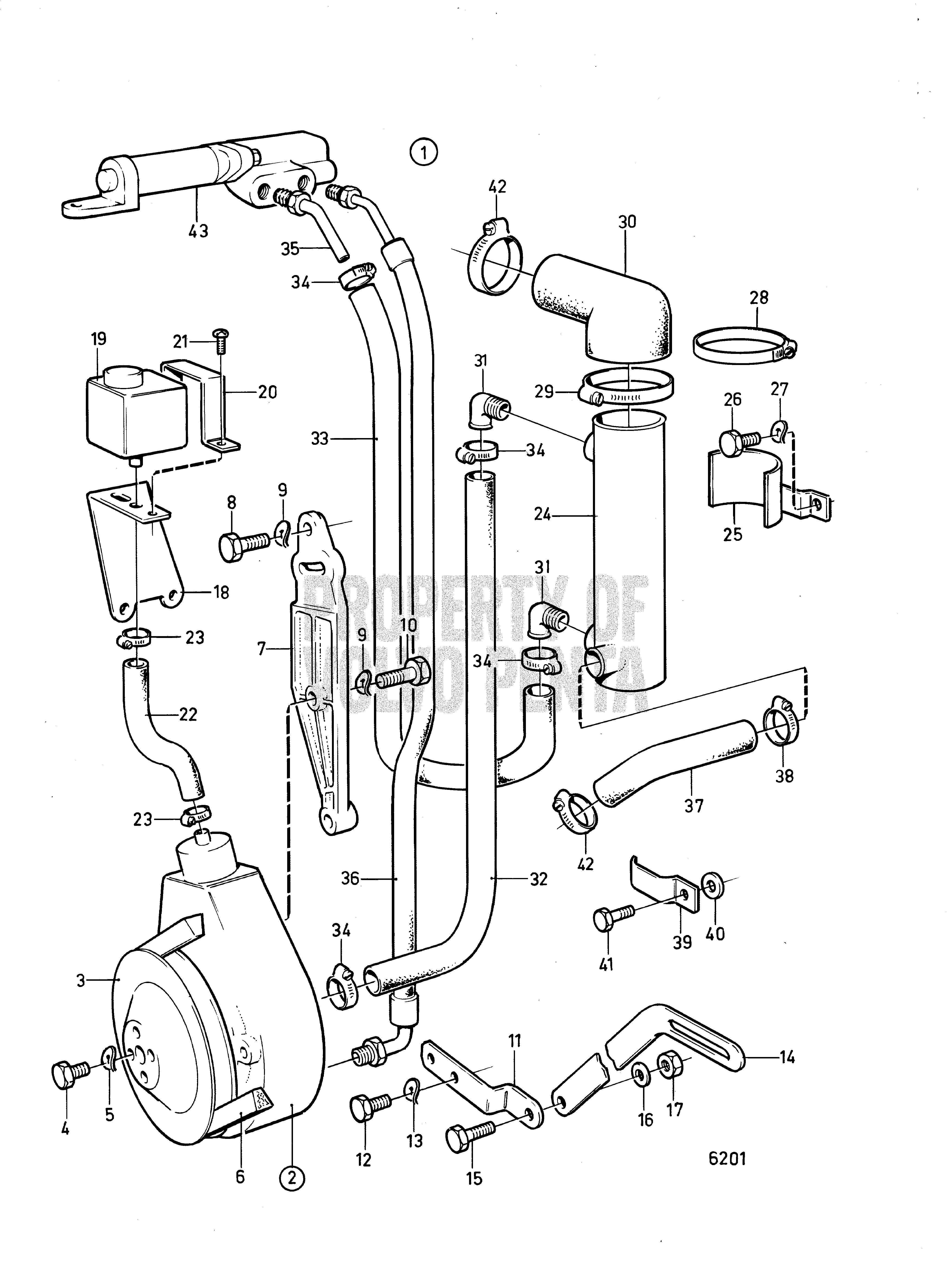
MD2010 Silenciador refrigerado por agua y tubería de escape
MD2010 Enfriamiento de quilla, dos circuitos con enfriador de aire de carga
MD2010 Control del interruptor térmico de escape
MD2010 Intercambiador de calor, enfriador de aire de carga y carcasa del termostato. Enfriamiento por agua de mar
MD2010 Enfriamiento de quilla, circuito de 1,5 con enfriador de aire de carga y carcasa de termostato
MD2010 Enfriamiento de quilla, dos circuitos con enfriador de aire de carga, intercambiador de calor y carcasa de termostato
MD2010 Línea de escape húmeda 4'' (102mm)
MD2010 Sistema de enfriamiento de dos circuitos con intercambiador de calor, enfriador de aire de carga y carcasa del termostato
MD2010 Enfriador de aceite para ZF 45-1, ZF 220, ZF 280
MD2010-C Silenciador refrigerado por agua y tubería de escape
MD2010-C Control del interruptor térmico de escape
MD2010-D Silenciador refrigerado por agua y tubería de escape
MD2010-D Control del interruptor térmico de escape
MD2010B Enfriamiento de quilla, dos circuitos con enfriador de aire de carga
MD2010B Silenciador refrigerado por agua y tubería de escape
MD2010B Control del interruptor térmico de escape
MD2010B Intercambiador de calor, enfriador de aire de carga y carcasa del termostato. Enfriamiento por agua de mar
MD2010B Enfriamiento de quilla, circuito de 1,5 con enfriador de aire de carga y carcasa de termostato
MD2010B Enfriamiento de quilla, dos circuitos con enfriador de aire de carga, intercambiador de calor y carcasa de termostato
MD2010B Línea de escape húmeda 4'' (102mm)
MD2010B Sistema de enfriamiento de dos circuitos con intercambiador de calor, enfriador de aire de carga y carcasa del termostato
MD2010B Enfriador de aceite para ZF 45-1, ZF 220, ZF 280
MD2020 Silenciador refrigerado por agua y tubería de escape
MD2020 Control del interruptor térmico de escape
MD2020-C Silenciador refrigerado por agua y tubería de escape
MD2020-C Control del interruptor térmico de escape
MD2020-C Colector de inducción y escape
MD2020-D Silenciador refrigerado por agua y tubería de escape
MD2020-D Control del interruptor térmico de escape
MD2020-D Colector de inducción y escape
MD2020B Silenciador refrigerado por agua y tubería de escape
MD2020B Control del interruptor térmico de escape
MD2020B Colector de inducción y escape, NS5101311300-
MD2030 Silenciador refrigerado por agua y tubería de escape
MD2030 Control del interruptor térmico de escape
MD2030-C Silenciador refrigerado por agua y tubería de escape
MD2030-C Control del interruptor térmico de escape
MD2030-C Colector de inducción y escape
MD2030-D Silenciador refrigerado por agua y tubería de escape
MD2030-D Control del interruptor térmico de escape
MD2030-D Colector de inducción y escape
MD2030B Silenciador refrigerado por agua y tubería de escape
MD2030B Control del interruptor térmico de escape
MD2030B Colector de inducción y escape, especificación del motor. N.º 868777
MD2040 Silenciador refrigerado por agua y tubería de escape
MD2040 Control del interruptor térmico de escape
MD2040-C Silenciador refrigerado por agua y tubería de escape
MD2040-C Control del interruptor térmico de escape
MD2040-D Silenciador refrigerado por agua y tubería de escape
MD2040-D Control del interruptor térmico de escape
MD2040B Silenciador refrigerado por agua y tubería de escape
MD2040B Control del interruptor térmico de escape
TAMD73P-A intercambiador de calor
TAMD73P-A Postenfriador
TAMD73WJ-A intercambiador de calor
TAMD73WJ-A Postenfriador
TAMD74A Bomba de agua y termostato
TAMD74A Postenfriador
TAMD74C-A Bomba de agua y termostato
TAMD74C-A Postenfriador
TAMD74C-A intercambiador de calor
TAMD74C-B Bomba de agua y termostato
TAMD74C-B Postenfriador
TAMD74C-B intercambiador de calor
TAMD74L-A Bomba de agua y termostato
TAMD74L-A Postenfriador
TAMD74L-A intercambiador de calor
TAMD74L-B Bomba de agua y termostato
TAMD74L-B Postenfriador
TAMD74L-B intercambiador de calor
TAMD74P-A Bomba de agua y termostato
TAMD74P-A Postenfriador
TAMD74P-A intercambiador de calor
TAMD74P-B Bomba de agua y termostato
TAMD74P-B Postenfriador
TAMD74P-B intercambiador de calor
TAMD75P-A Bomba de agua y termostato
TAMD75P-A Postenfriador
TAMD75P-A intercambiador de calor
TMD100C Reverse Gear Twin Disc MG509 e Inst. Componentes. Estándar
TMD100C Reverse Gear Twin Disc MG509 e Inst. Composiciones. Clasificado Engin
D16C-A MG Sistema de refrigeración central con piezas de instalación
D16C-A MG Sistema de lubricación
D16C-A MG Intercambiador de calor con piezas de instalación
D16C-A MG Bomba de agua y componentes de instalación
D5A-B TA Enfriamiento de quilla, dos circuitos con enfriador de aire de carga
D5A-B TA Intercambiador de calor, enfriador de aire de carga y carcasa del termostato. Enfriamiento por agua de mar
D5A-B TA Enfriamiento de quilla, circuito de 1,5 con enfriador de aire de carga y carcasa de termostato
D5A-B TA Enfriamiento de quilla, dos circuitos con enfriador de aire de carga, intercambiador de calor y carcasa de termostato
D5A-B TA Línea de escape húmeda 4'' (102mm)
D5A-B TA Sistema de enfriamiento de dos circuitos con intercambiador de calor, enfriador de aire de carga y carcasa del termostato
D5A-B TA Enfriador de aceite para ZF 45-1, ZF 220, ZF 280
D5A-T Intercambiador de calor y carcasa del termostato. Enfriamiento por agua de mar
D5A-T Línea de escape húmeda 4'' (102mm)
D5A-T Intercambiador de calor y carcasa del termostato
D5A-T Enfriador de aceite para ZF 45-1, ZF 220, ZF 280
D5A-TA Enfriamiento de quilla, dos circuitos con enfriador de aire de carga
D5A-TA Intercambiador de calor, enfriador de aire de carga y carcasa del termostato. Enfriamiento por agua de mar
D5A-TA Enfriamiento de quilla, circuito de 1,5 con enfriador de aire de carga y carcasa de termostato
D5A-TA Enfriamiento de quilla, dos circuitos con enfriador de aire de carga, intercambiador de calor y carcasa de termostato
D5A-TA Línea de escape húmeda 4'' (102mm)
D5A-TA Sistema de enfriamiento de dos circuitos con intercambiador de calor, enfriador de aire de carga y carcasa del termostato
D5A-TA Enfriador de aceite para ZF 45-1, ZF 220, ZF 280
D7A-B TA Enfriamiento de quilla, dos circuitos con enfriador de aire de carga
D7A-B TA Intercambiador de calor, enfriador de aire de carga y carcasa del termostato. Enfriamiento por agua de mar
D7A-B TA Enfriamiento de quilla, circuito de 1,5 con enfriador de aire de carga y carcasa de termostato
D7A-B TA Enfriamiento de quilla, dos circuitos con enfriador de aire de carga, intercambiador de calor y carcasa de termostato
D7A-B TA Sistema de enfriamiento de dos circuitos con intercambiador de calor, enfriador de aire de carga y carcasa del termostato
D7A-B TA Enfriador de aceite para ZF 45-1, ZF 220, ZF 280
D7A-T Intercambiador de calor y carcasa del termostato. Enfriamiento por agua de mar
D7A-T Intercambiador de calor y carcasa del termostato
D7A-T Enfriador de aceite para ZF 45-1, ZF 220, ZF 280
D7A-TA Enfriamiento de quilla, dos circuitos con enfriador de aire de carga
D7A-TA Intercambiador de calor, enfriador de aire de carga y carcasa del termostato. Enfriamiento por agua de mar
D7A-TA Enfriamiento de quilla, circuito de 1,5 con enfriador de aire de carga y carcasa de termostato
D7A-TA Enfriamiento de quilla, dos circuitos con enfriador de aire de carga, intercambiador de calor y carcasa de termostato
D7A-TA Sistema de enfriamiento de dos circuitos con intercambiador de calor, enfriador de aire de carga y carcasa del termostato
D7A-TA Enfriador de aceite para ZF 45-1, ZF 220, ZF 280
D8A5-A MG Enfriador de aceite para motor con enfriamiento de quilla
D8A6-A MG Enfriador de aceite para motor con enfriamiento de quilla
D9A2A Tanque de expansión y tuberías de conexión para Kc
D9A2A Tanque de expansión e intercambiador de calor
D9A2A Bomba de agua marina
D9A2A Enfriador de aceite para doble disco MG5114SC, MG5114DC
230B Unidad de accionamiento de dirección asistida SP-C
231LB Refrigeración por agua dulce
231LB Refrigeracion por agua dulce
250B Unidad de accionamiento de dirección asistida SP-C
271LB Refrigeración por agua dulce
430 Sistema de Refrigeración
430 Sistema de refrigeración sin intercambiador de calor
430 Intercambiador de calor y componentes de instalación
430A Sistema de Refrigeración
430A Sistema de refrigeración sin intercambiador de calor
430A Intercambiador de calor y componentes de instalación
430A Servodirección unidad propulsora SP-C, SP-C1, DP-C, DP-C1
430B Sistema de Refrigeración
430B Sistema de refrigeración sin intercambiador de calor
430B Intercambiador de calor y componentes de instalación
430B Servodirección unidad propulsora SP-C, SP-C1, DP-C, DP-C1
431A Sistema de Refrigeración
431A Sistema de refrigeración sin intercambiador de calor
431A Intercambiador de calor y componentes de instalación
431A Servodirección unidad propulsora SP-C, SP-C1, DP-C, DP-C1
431B Sistema de Refrigeración
431B Sistema de refrigeración sin intercambiador de calor
431B Intercambiador de calor y componentes de instalación
431B Servodirección unidad propulsora SP-C, SP-C1, DP-C, DP-C1
432A Sistema de Refrigeración
432A Sistema de refrigeración sin intercambiador de calor
432A Intercambiador de calor y componentes de instalación
432A Servodirección unidad propulsora SP-C, SP-C1, DP-C, DP-C1
434A Sistema de Refrigeración
434A Sistema de refrigeración sin intercambiador de calor
434A Intercambiador de calor y componentes de instalación
434A Servodirección unidad propulsora SP-C, SP-C1, DP-C, DP-C1
500A Sistema de Refrigeración
500B Sistema de Refrigeración
500B Sistema de refrigeración sin intercambiador de calor
500B Intercambiador de calor y componentes de instalación
500B Servodirección unidad propulsora SP-C, SP-C1, DP-C, DP-C1
501A Sistema de Refrigeración
501B Sistema de Refrigeración
501B Sistema de refrigeración sin intercambiador de calor
501B Intercambiador de calor y componentes de instalación
501B Servodirección unidad propulsora SP-C, SP-C1, DP-C, DP-C1
570 Sistema de Refrigeración
570 Sistema de refrigeración sin intercambiador de calor
570 Intercambiador de calor y componentes de instalación
570A Sistema de Refrigeración
570A Sistema de refrigeración sin intercambiador de calor
570A Intercambiador de calor y componentes de instalación
570A Servodirección unidad propulsora SP-C, SP-C1, DP-C, DP-C1
571A Sistema de Refrigeración
572A Sistema de Refrigeración
572A Sistema de refrigeración sin intercambiador de calor
572A Intercambiador de calor y componentes de instalación
572A Servodirección unidad propulsora SP-C, SP-C1, DP-C, DP-C1
740B Sistema de Refrigeración
740B Sistema de refrigeración sin intercambiador de calor
740B Intercambiador de calor y componentes de instalación
740B Servodirección unidad propulsora DP-C, DP-D, DP-D1
740B Refrigeración con agua dulce
AQ175A Sistema de Refrigeración
AQ175A Servobomba y componentes de instalación
AQ190A Sistema de Refrigeración
AQ200C Sistema de Refrigeración
AQ200D Sistema de Refrigeración
AQ200D Servobomba y componentes de instalación
AQ200F Sistema de Refrigeración
AQ205A Sistema de Refrigeración
AQ211A Sistema de Refrigeración
AQ211A Refrigeración por agua dulce
AQ225C Sistema de Refrigeración
AQ225D Sistema de Refrigeración
AQ225D Servobomba y componentes de instalación
AQ225E Sistema de Refrigeración
AQ225F Sistema de Refrigeración
AQ231A Sistema de Refrigeración
AQ231A Refrigeración por agua dulce
AQ231A Refrigeracion por agua dulce
AQ231B Sistema de Refrigeración
AQ231B Refrigeración por agua dulce
AQ231B Refrigeracion por agua dulce
AQ240A Sistema de Refrigeración
AQ255A Sistema de Refrigeración
AQ255B Sistema de Refrigeración
AQ260A Sistema de Refrigeración
AQ260A Servobomba y componentes de instalación
AQ260B Sistema de Refrigeración
AQ271A Sistema de Refrigeración
AQ271A Refrigeración por agua dulce
AQ271B Sistema de Refrigeración
AQ271B Refrigeración por agua dulce
AQ271C Sistema de Refrigeración
AQ271C Refrigeración por agua dulce
AQ271D Sistema de Refrigeración
AQ271D Refrigeración por agua dulce
AQ290A Sistema de Refrigeración
AQ290A Servobomba y componentes de instalación
AQ311A Sistema de Refrigeración
AQ311A Refrigeración por agua dulce
AQ311B Sistema de Refrigeración
AQ311B Refrigeración por agua dulce
BB225A Sistema de Refrigeración
BB225AV Sistema de Refrigeración
BB225B Sistema de Refrigeración
BB225C Sistema de Refrigeración
BB231A Sistema de Refrigeración
BB231A Refrigeración por agua dulce
BB260AV Sistema de Refrigeración
BB260B Sistema de Refrigeración
BB260C Sistema de Refrigeración
BB261A Sistema de Refrigeración
BB261A Refrigeración por agua dulce
BB740A Sistema de Refrigeración
BB740A Sistema de refrigeración sin intercambiador de calor
BB740A Intercambiador de calor y componentes de instalación
BB740A Unidad propulsora de servodirección DP-B, DP-B1
BB740A Servodirección, unidad propulsora DP-C
BB740A Refrigeración con agua dulce
120SC Silenciador de escape refrigerado por agua con componentes de instalación
275A Refrigeración por agua dulce
285A Refrigeración por agua dulce
DP-A Sistema de Refrigeración
DP-A Sistema de refrigeración sin intercambiador de calor
DP-A Intercambiador de calor y componentes de instalación
DP-A2 Sistema de Refrigeración
DP-A2 Sistema de refrigeración sin intercambiador de calor
DP-A2 Intercambiador de calor y componentes de instalación
DP-C Sistema de Refrigeración
DP-C Sistema de refrigeración sin intercambiador de calor
DP-C Intercambiador de calor y componentes de instalación
DP-D Sistema de Refrigeración
DP-D Sistema de refrigeración sin intercambiador de calor
DP-D Intercambiador de calor y componentes de instalación
DPH-A Tubo de escape y tubería de agua de refrigeración DPH/DPR Unidad de accionamiento
DPH-A Eje intermedio, componentes de conexión
DPH-A Tubo de escape y tubo de agua de refrigeración, D4, unidad propulsora DPH/DPR
DPH-A Tubo de escape y tubo de agua de refrigeración, D6, unidad propulsora DPH/DPR
DPH-C Tubo de escape y tubería de agua de refrigeración DPH/DPR Unidad de accionamiento
DPH-C Tubo de escape y tubo de agua de refrigeración, D4, unidad propulsora DPH/DPR, ampliada
DPH-C Eje intermedio, componentes de conexión
DPH-C Tubo de escape y tubo de agua de refrigeración, D4, unidad propulsora DPH/DPR
DPH-C Tubo de escape y tubo de agua de refrigeración, D6, unidad propulsora DPH/DPR, ampliada
DPH-C Tubo de escape y tubo de agua de refrigeración, D6, unidad propulsora DPH/DPR
DPH-D1 Tubo de escape y tubo de agua de refrigeración, D4, unidad propulsora DPH/DPR, ampliada
DPH-D1 Eje intermedio, componentes de conexión
DPH-D1 Tubo de escape y tubo de agua de refrigeración, D4, unidad propulsora DPH/DPR
DPH-D1 Tubo de escape y tubo de agua de refrigeración, D6, unidad propulsora DPH/DPR, ampliada
DPH-D1 Tubo de escape y tubo de agua de refrigeración, D6, unidad propulsora DPH/DPR
DPH-E Tubo de escape y tubo del agua de refrigeración, D4, estándar
DPH-E Tubo de escape y tubo de agua de refrigeración, D4, corto, opcional
DPH-E Eje intermedio, componentes de conexión
DPH-E Tubo de escape y tubo de agua de refrigeración, D6, corto, opcional
DPH-E Tubo de escape y tubo de agua de refrigeración, D6, estándar
DPI-A Tubo de escape y tubo del agua de refrigeración, D4, estándar
DPI-A Tubo de escape y tubo de agua de refrigeración, D4, corto, opcional
DPI-A Eje intermedio, componentes de conexión
DPI-A Tubo de escape y tubo de agua de refrigeración, D6, corto, opcional
DPI-A Tubo de escape y tubo de agua de refrigeración, D6, estándar
DPR-A Tubo de escape y tubería de agua de refrigeración DPH/DPR Unidad de accionamiento
DPR-A Eje intermedio, componentes de conexión
DPR-A Tubo de escape y tubo de agua de refrigeración, D4, unidad propulsora DPH/DPR
DPR-A Tubo de escape y tubo de agua de refrigeración, D6, unidad propulsora DPH/DPR
DPR-B Tubo de escape y tubería de agua de refrigeración DPH/DPR Unidad de accionamiento
DPR-B Eje intermedio, componentes de conexión
DPR-B Tubo de escape y tubo de agua de refrigeración, D4, unidad propulsora DPH/DPR
DPR-B Tubo de escape y tubo de agua de refrigeración, D6, unidad propulsora DPH/DPR
DPR-C Tubo de escape y tubería de agua de refrigeración DPH/DPR Unidad de accionamiento
DPR-C Tubo de escape y tubo de agua de refrigeración, D4, unidad propulsora DPH/DPR, ampliada
DPR-C Eje intermedio, componentes de conexión
DPR-C Tubo de escape y tubo de agua de refrigeración, D4, unidad propulsora DPH/DPR
DPR-C Tubo de escape y tubo de agua de refrigeración, D6, unidad propulsora DPH/DPR, ampliada
DPR-C Tubo de escape y tubo de agua de refrigeración, D6, unidad propulsora DPH/DPR
DPR-D Tubo de escape y tubo de agua de refrigeración, D4, unidad propulsora DPH/DPR, ampliada
DPR-D Eje intermedio, componentes de conexión
DPR-D Tubo de escape y tubo de agua de refrigeración, D4, unidad propulsora DPH/DPR
DPR-D Tubo de escape y tubo de agua de refrigeración, D6, unidad propulsora DPH/DPR, ampliada
DPR-D Tubo de escape y tubo de agua de refrigeración, D6, unidad propulsora DPH/DPR
HS45AE Kit de conexión del inversor HS45AE
HS63AE Kit de conexión del inversor HS63AE
HS63AE-A Kit de conexión del inversor HS63AE
HS63IVE Kit de conexión del inversor HS63IVE
HS80AE Kit de conexión del inversor HS80AE
IPS-A Enfriador de aceite IPS, diesel
IPS-B Enfriador de aceite IPS, diesel
IPS-C Enfriador de aceite IPS, diesel
IPS-D Enfriador de aceite IPS, diesel
IPS-E Enfriador de aceite IPS, diesel
IPS-F Enfriador de aceite IPS, diesel
IPS10-A Repuestos de conexión, caja del filtro de aceite IPS10
MS2B Silenciador de escape refrigerado por agua con componentes de instalación
MS2V Silenciador de escape refrigerado por agua con componentes de instalación
MS4B Sistema de Refrigeración
MS4B Sistema de refrigeración sin intercambiador de calor
MS4B Intercambiador de calor y componentes de instalación
SP-A2 Sistema de Refrigeración
SP-A2 Sistema de refrigeración sin intercambiador de calor
SP-A2 Intercambiador de calor y componentes de instalación
SP-C Sistema de Refrigeración
SP-C Sistema de refrigeración sin intercambiador de calor
SP-C Intercambiador de calor y componentes de instalación
SP-C1 Sistema de Refrigeración
SP-C1 Sistema de refrigeración sin intercambiador de calor
SP-C1 Intercambiador de calor y componentes de instalación
TSK DP-H Eje intermedio, componentes de conexión
TSK DP-H/DPR Eje intermedio, componentes de conexión
TSK DPH Eje intermedio, componentes de conexión
TSK DPH-A Tubo de escape y tubería de agua de refrigeración DPH/DPR Unidad de accionamiento
TSK DPH-A Eje intermedio, componentes de conexión
TSK DPH-A Tubo de escape y tubo de agua de refrigeración, D4, unidad propulsora DPH/DPR
TSK DPH-A Tubo de escape y tubo de agua de refrigeración, D6, unidad propulsora DPH/DPR
TSK DPH-AP Eje intermedio, componentes de conexión
TSK DPH-AS Eje intermedio, componentes de conexión
TSK DPH-B Tubo de escape y tubería de agua de refrigeración DPH/DPR Unidad de accionamiento
TSK DPH-B Eje intermedio, componentes de conexión
TSK DPH-B Tubo de escape y tubo de agua de refrigeración, D4, unidad propulsora DPH/DPR
TSK DPH-B Tubo de escape y tubo de agua de refrigeración, D6, unidad propulsora DPH/DPR
TSK DPH-BP Eje intermedio, componentes de conexión
TSK DPH-BS Eje intermedio, componentes de conexión
TSK DPH-C Eje intermedio, componentes de conexión
TSK DPH-D Eje intermedio, componentes de conexión
TSK DPH-E Eje intermedio, componentes de conexión

Abrazadera de mangue

Art. 961671


Article group

12


Weight

0.034


Description

44-56 mm


€ 3.25 Incl VAT


Other

An error has occurred. This application may no longer respond until reloaded. Reload 🗙