
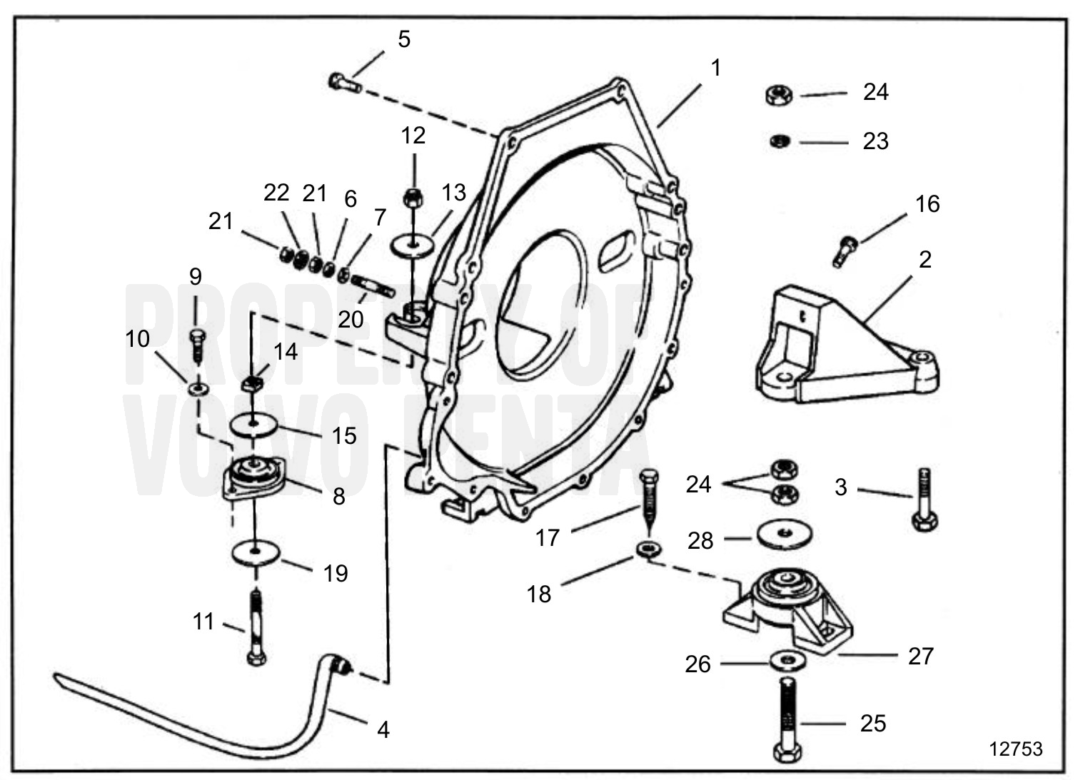
Sprängskisser där produkten förekommer
Marine Gasoline Engines
Bult
Art. 3852566
Artikelgrupp
-
Vikt
-
Benämning
-
Ersättningar till produkten ovan
| Art. | Benämning | Antal | Pris/st Inkl moms | |
|---|---|---|---|---|
| Ersätts av | ||||
| 23345013 | Sexkantsskruv | 1 | 102,00 kr | |






































































































































